EasyManua.ls Logo

Avery Dennison SNAP 500 - Covers Assembly - Gen 2

Avery Dennison SNAP 500
146 pages
Print Icon
To Next Page IconTo Next Page
To Next Page IconTo Next Page
To Previous Page IconTo Previous Page
To Previous Page IconTo Previous Page
Loading...
User’s Manual—SNAP™ 500 Gen 1 and Gen 2 135
Classification: Avery Dennison - Public
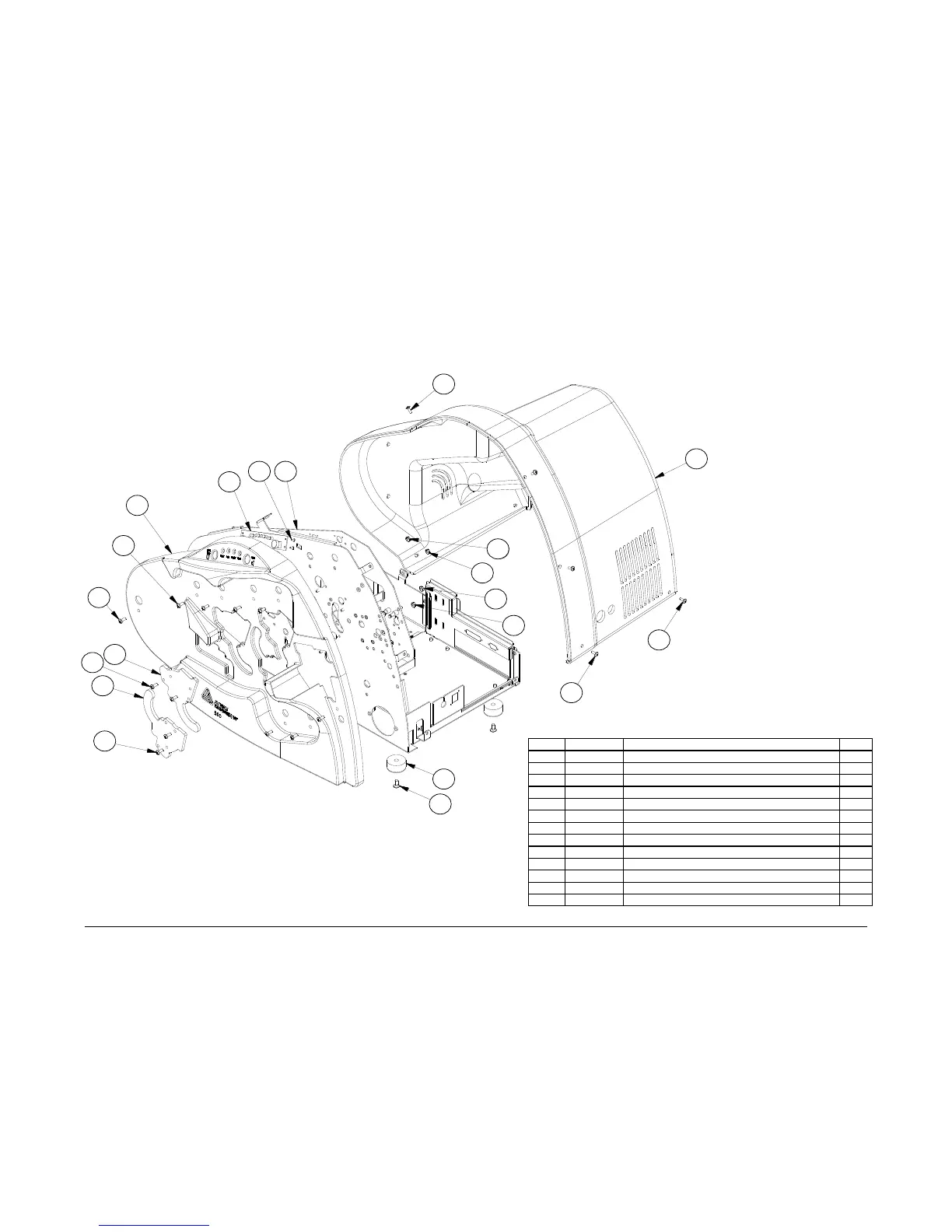
13.20 Covers Assembly Gen 2
ITEM
PART NO.
DESCRIPTION
QTY
1
05341210
FEET, 1 1/2 DIAMETER, RUBBER
4
2
05581112
MINI FRONT PANEL
1
3
05631201
KIT, FRAME ASSEMBLY, SNAP 500 2/1
1
4
05631205
REAR COVER, SNAP 500 2/1
1
5
05631206
COVER, FRONT, 500 2 OVER 1
1
6
991374
1/4 SCREW, 1/4-20 X 1/2 PAN PHILLIPS
4
7
991376
10 SCREW, 10-32 X 1/2 PAN PHILLIPS
12
8
991422
4 SCREW, 4-40 X 1/4 PAN HD PHILLIPS
4
9
991508
8-32 X 1/2 FLANGED BUTTON HEAD SCREW
10
10
05631208
INSERT, UPPER PRINT HEAD
1
11
05631207
INSERT, LOWER PRINT HEAD
1
12
990103
10-32 HEX NUT
4
NS
05586010
STATIC BRUSH (INK ROLL)
3
4
9
9
12
12
12
12
6
1
3
8
2
5
7
7
7
10
11
7
9

Table of Contents

Other manuals for Avery Dennison SNAP 500

Related product manuals