EasyManua.ls Logo

Chroma 11210 - External Control Circuit Examples

Chroma 11210
148 pages
Print Icon
To Next Page IconTo Next Page
To Next Page IconTo Next Page
To Previous Page IconTo Previous Page
To Previous Page IconTo Previous Page
Loading...
Handler Interface
9-3
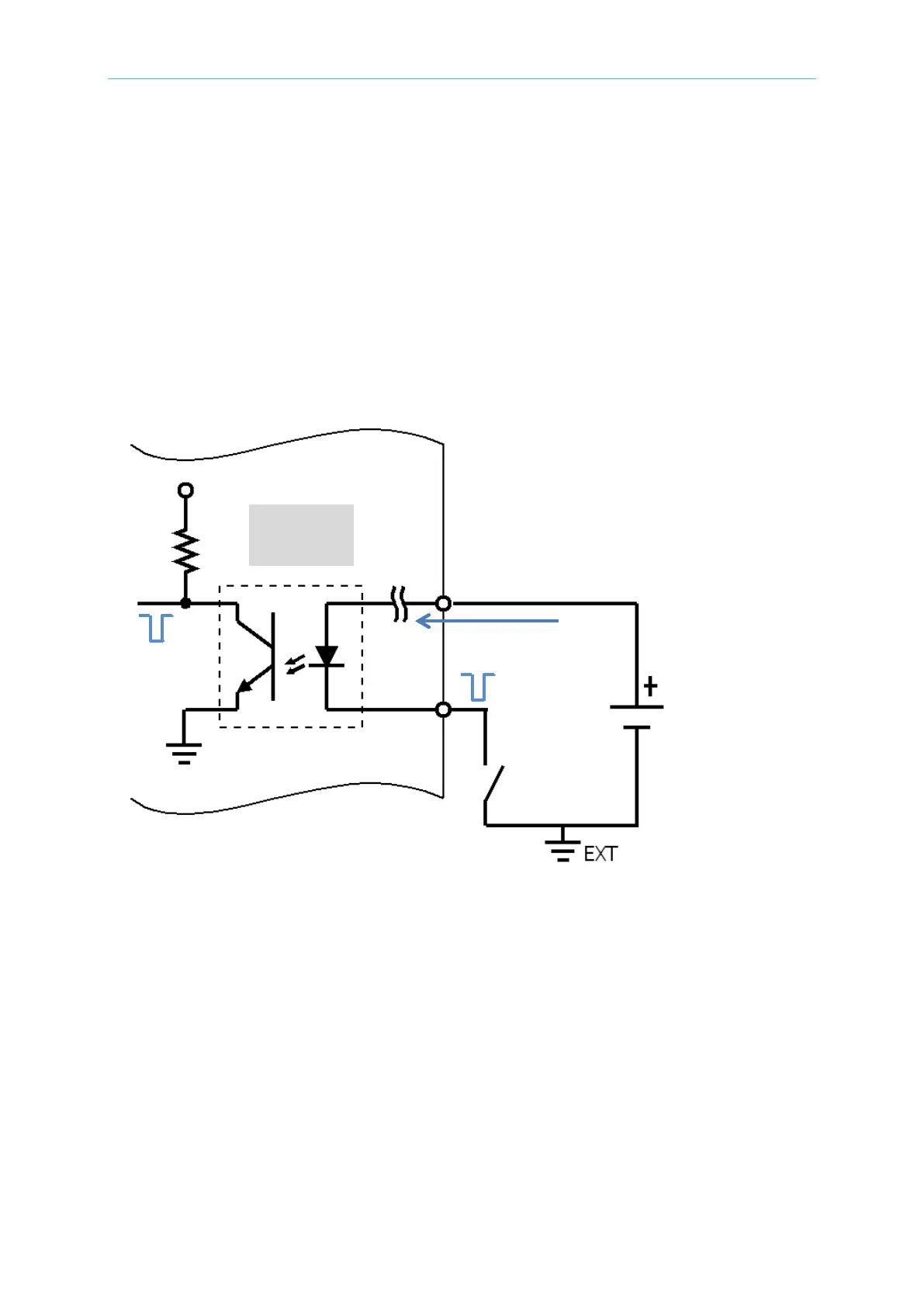
9.3 Example of External Control Circuit
HANDLER control interface mainly includes two types - Input Port (I/P) and Output Port (O/P).
9.3.1 HANDLER Control Interface- Input Port (I/P)
Example of Input Port (I/P) circuit applies the general connection as Figure 9-1 shows. Take
control circuit application of external input START signal as an example. The trigger is done
when external input START signal trigger activating (/EXT is Low) and the optical coupler
inside of the machine is ON. The inner action principle transmitted control signal of conduction
state is through optical coupler. The level is LOW when it is with action and the level is high
when it is without action.
Figure 9-1 Example of /EXT Control Circuit
R
Handler
Interface
Vext
/EXT
Switch
Vs=+5 ~ +24Vdc
Is_max = 5mA
V

Table of Contents

Related product manuals