EasyManua.ls Logo

Cisco ASR 5000 Series - ASN Mobility Management

Cisco ASR 5000 Series
317 pages
Print Icon
To Next Page IconTo Next Page
To Next Page IconTo Next Page
To Previous Page IconTo Previous Page
To Previous Page IconTo Previous Page
Loading...
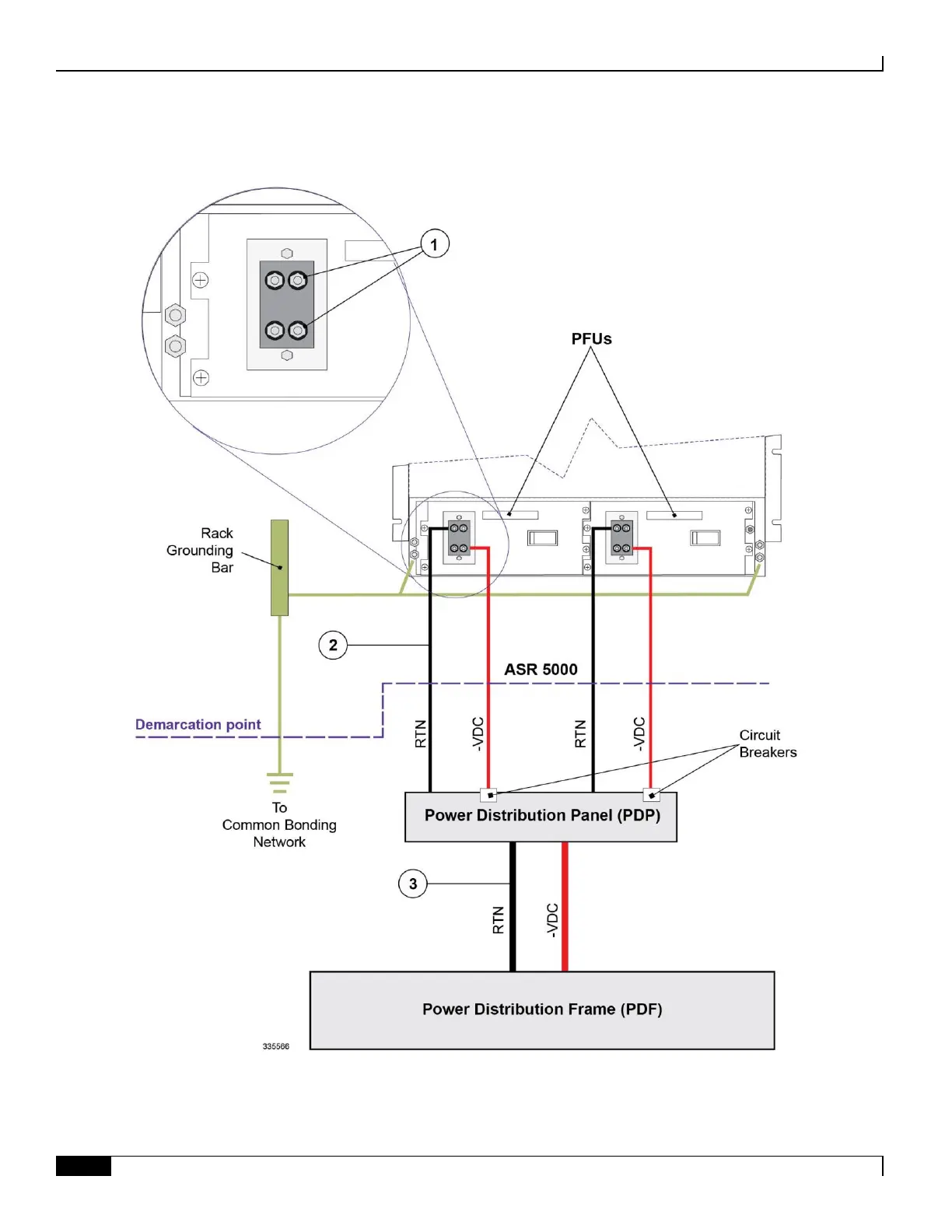
Cabling the Power Filter Units
ASR 5000 Installation Guide
148
Figure 49. PFU Wiring Diagram

Table of Contents

Other manuals for Cisco ASR 5000 Series

Related product manuals