EasyManua.ls Logo

Cushman 898673 - Drive Shaft, Clutch and Transmission Shifter Linkage

Cushman 898673
189 pages
Print Icon
To Next Page IconTo Next Page
To Next Page IconTo Next Page
To Previous Page IconTo Previous Page
To Previous Page IconTo Previous Page
Loading...
100
9
9
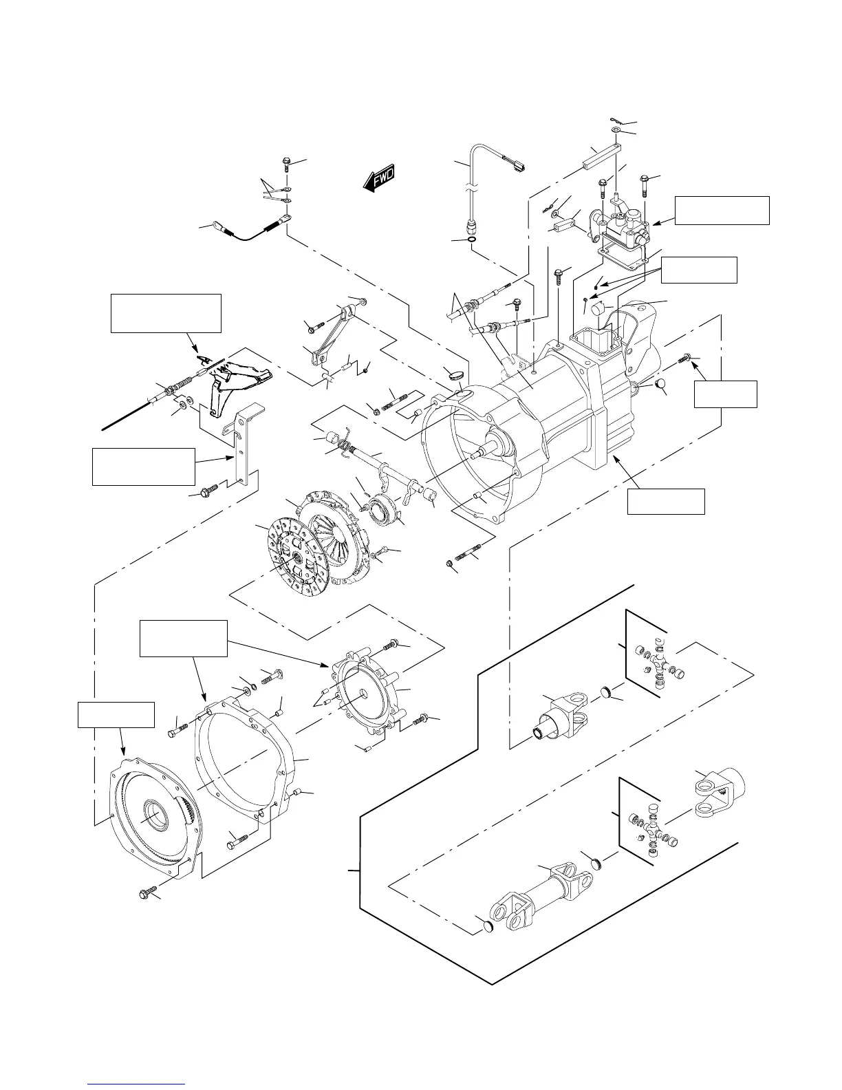
DRIVE SHAFT, CLUTCH and TRANSMISSION SHIFTER LINKAGE
(PERKINS DIESEL and SUZUKI 970)
With
Perkins Diesel
Only
Apply
Loctite 222
32
35
19
55
56
5
1
16
31
34
39
57
47
47
46
53
54
43
45
44
38
36
37
41
42
52
40
41
52
49
50
51
17
18
14
13
4
28
27
21
21
8
11
12
8
8
10
3
23
25
25
26
24
24
3
3
30
20
2
1
22
7
Reference
Shift Lever Case
Reference
Right Engine Mount
(970 Suzuki)
Reference
Air Cleaner Brckt.
(Perkins Diesel)
Reference
Transmission
All components are used with both the 970 Suzuki
and the Perkins Diesel engines unless otherwise
noted in the parts list shown on the following page
.
3
Reference
Diesel Engine
6
Apply
Loctite 242
29
894197, 893444, 894198, 893594
48
15
5
1
32
33
Front Of Vehicle

Table of Contents

Related product manuals