EasyManua.ls Logo

Cushman 898673 - Carburetor and Intake Manifold

Cushman 898673
189 pages
Print Icon
To Next Page IconTo Next Page
To Next Page IconTo Next Page
To Previous Page IconTo Previous Page
To Previous Page IconTo Previous Page
Loading...
109
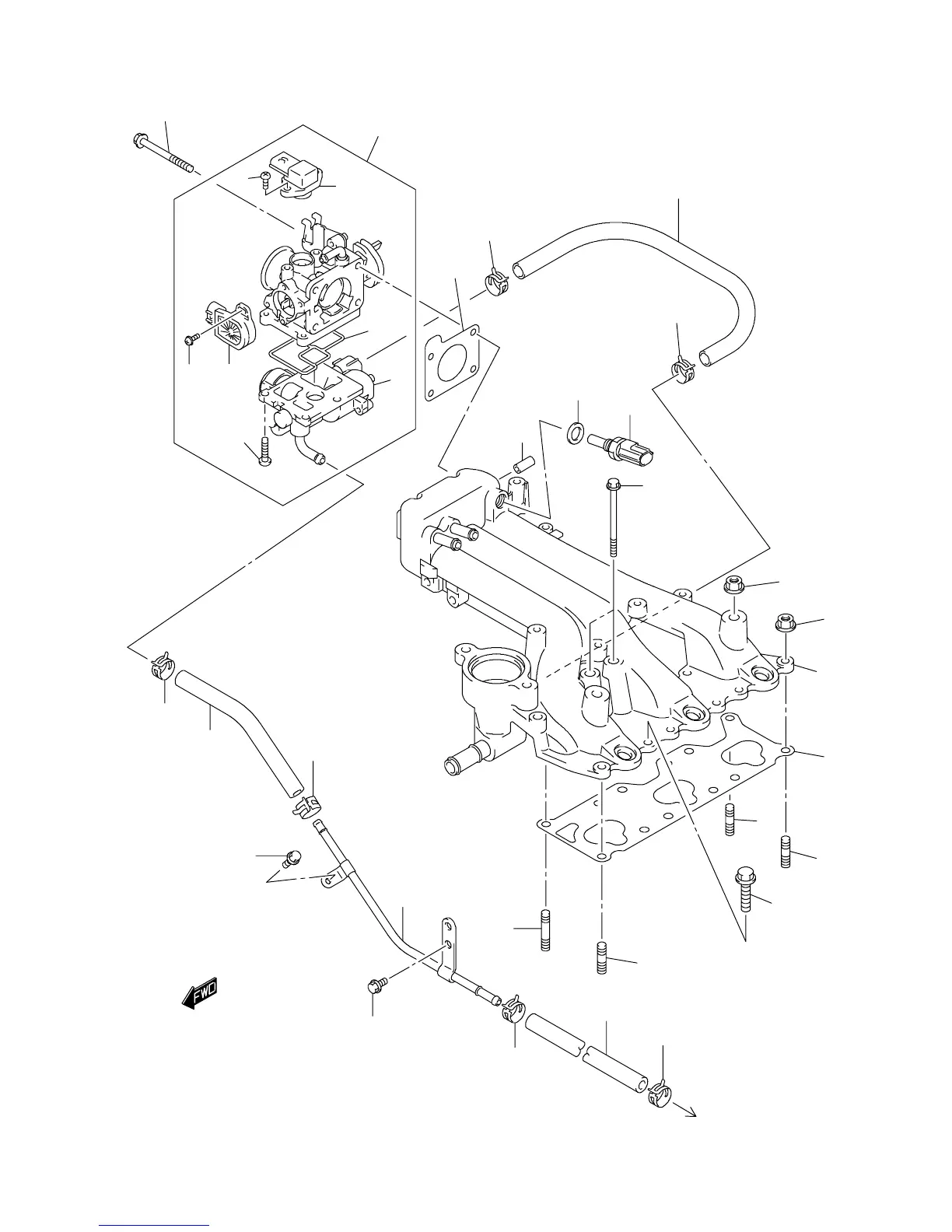
CARBURETOR and INTAKE MANIFOLD
(SUZUKI K6A)
11
8
12
25
10
9
15
13
14
16
23
18
23
20
21
27
6
7
7
1
2
3
3
3
3
4
23
22
23
24
17
26
23
19
23
W ater Inlet Pipe
Front Of Vehicle

Table of Contents

Related product manuals