EasyManua.ls Logo

Cushman 898673 - Transmission Valve

Cushman 898673
189 pages
Print Icon
To Next Page IconTo Next Page
To Next Page IconTo Next Page
To Previous Page IconTo Previous Page
To Previous Page IconTo Previous Page
Loading...
133
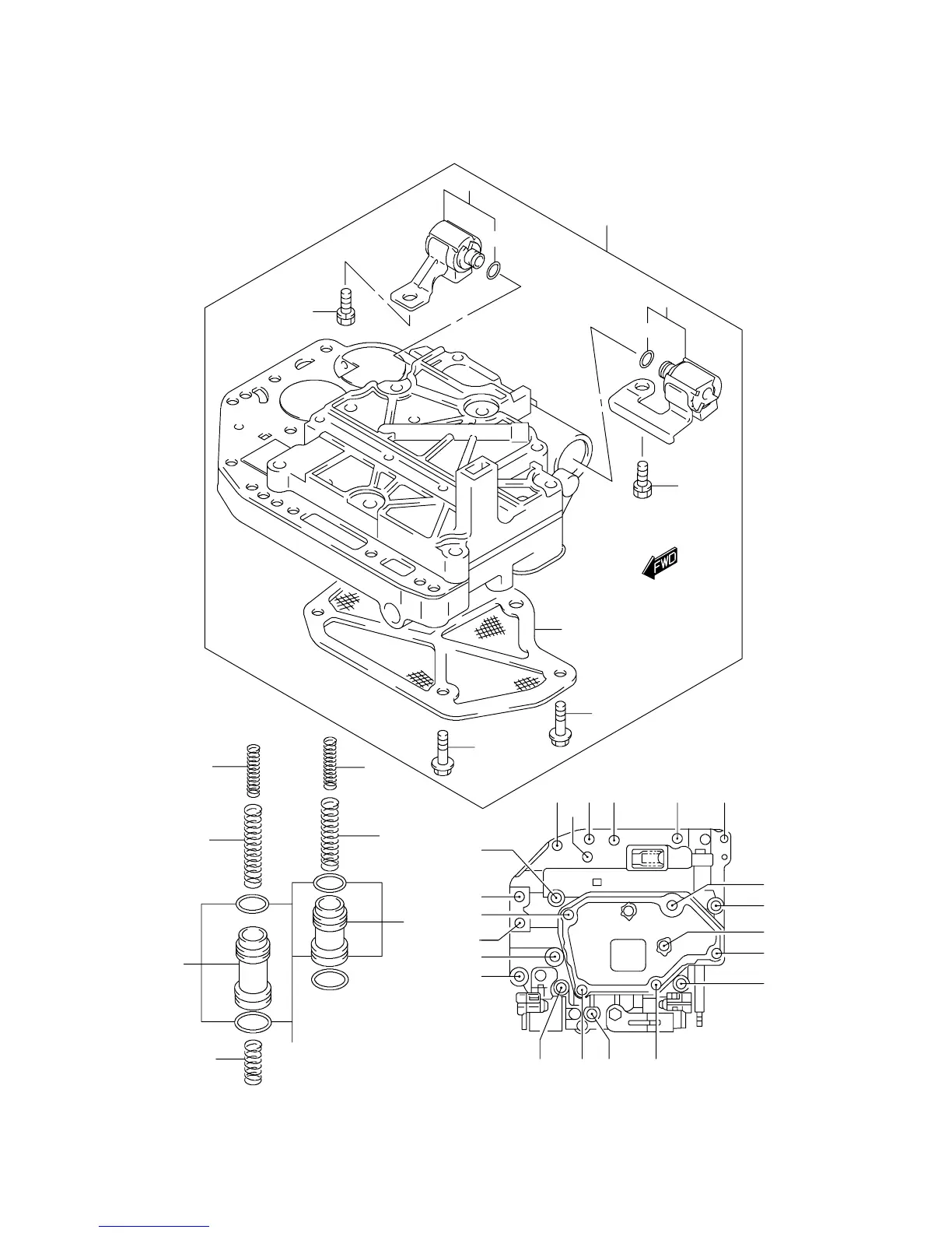
TRANSMISSION VALVE
(AUTOMATIC TRANSMISSION) (SUZUKI K6A)
Front Of Vehicle
1
4
6
5
2
3
6
7
9
8
23
15
16
13
12
24
17
14
20
10
20
20
20 18
8
11
10
9
11
9
22
9
20
18
20
21
8
21
19

Table of Contents

Related product manuals