EasyManua.ls Logo

Cushman 898673 - Automatic Transmission

Cushman 898673
189 pages
Print Icon
To Next Page IconTo Next Page
To Next Page IconTo Next Page
To Previous Page IconTo Previous Page
To Previous Page IconTo Previous Page
Loading...
172
G
G
Y
PK
OR
G
R
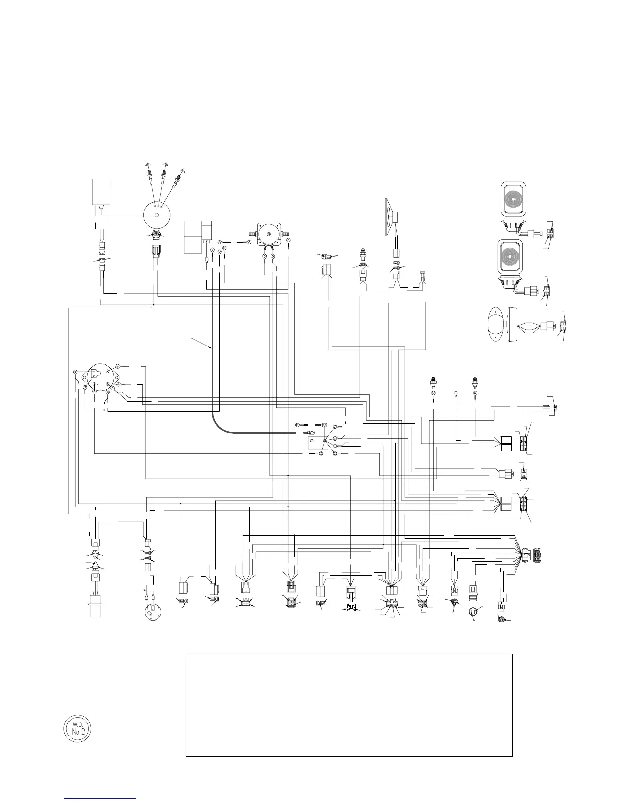
WIRING DIAGRAM
SUZUKI K6A TURF TRUCKSTER with
AUTOMATIC TRANSMISSION (con’t.)
W/BR
B/W
G
B
B
B
R
W/BR
G
W/BR
G
B
Y
R/B
PK
W/G
B
B
R
P/BL
PK
PK
W/Y
W
W/R
OR
B
BR/B
R
Y
Y
R
W/B
B
W/G
W/G
PIN 1 WHITE/BLUE
PIN 2 BROWN
PIN 3 PINK
PIN 4 YELLOW
PIN 5 GREEN
PIN 6 WHITE/GREEN
PIN 7 WHITE/YELLOW
PIN 8 GRAY
PIN 9 ORANGE
PIN 10 BLUE
PIN 11 NOT USED
PIN 12 NOT USED
PIN 13 NOT USED
PIN 14 NOT USED
PIN 15 NOT USED
PIN 16 SHIELD (CABLE)
PIN 17 BLACK (CABLE)
PIN 18 CLEAR (CABLE)
G
W/BR
G
CLEAR
B
W/BR
R
R
Y
R
W
R
W
R
B
B
BR
B
OR
W/OR
PK
PK
W/B
R
B
B
B
OR
OR
R
R
R
W/R
S
B
R
R
G
G
W/BR
CLEAR
B
BL
W/Y
W/BL
GY
BL
G
B
BL
BL
BR
B
BL
G
W/G
W/BR
BR
G
B
W/BR
G
G
W/R
G
G
W/R
B
W/G
R
G
OR
G
Y
B
W
W
B
R
B
BR
BR
G
B
PK
B
W/R
OR
R
B
B
OR
B
B
SHIELD
BR
G
B
B
W/BL
GY
W/Y
Y
G
W/BL
W/Y
GY
W/G
W/G
BL
BL
W/BR
R
G
G
BR
B/W
G
W/BR
BL
W/OR
PK
PK
G
G
B
B
B
B
B
B
G
R
W/BR
GG
OR
OR
B
W/Y
R
W/Y
PK
W/BR
B
P/BL
P/BL
B
BL
P
EXC
R/B
R
-
+
R/B
W/R
R
W/R
B
PK
B
B
W/R
COIL
33410-50F20
DISTRIBUTOR
33100-51F1 1
STARTER
31100-70D40
START SOLENOID
879945
NUETRAL
START SWITCH
FAN
SWITCH
17680-50F70
Y
FAN
2700799
20 AMP
FUSE
LEFT INDUSTRIAL
TAILLIGHT
892676
RIGHT INDUSTRIAL
TAILLIGHT
892676
TURF TAILLIGHT
893602
OIL
PRESSURE
37820-80001
TEMP
SENDER
843857
PARK
BRAKE
R
Y
HARNESS
894560
ALTERNATOR
893633
B
THROTTLE
POSITION
SHIFT
SOLENOID
SPEED
SENSOR
SHIFT
SWITCH
IDLE UP
CONTROLLER
38850-50F41
D RANGE
VACUUM
SWITCH
VALVE
VACUUM
SWITCH
VALVE
NOISE
FILTER
33553-52E00
FUEL CUTOFF
RELAY
38850-51F10
IDLE UP
VACUUM
SWITCH
VALVE
CARB
SOL.
FUEL LEVEL
SENDER
843298
FUEL PUMP
15100-53F03
HARNESS
894201
COLOR CODE:
B - BLACK W - WHITE W/BR - WHITE w/BROWN STRIPE
BL - BLUE Y - YELLOW W/G - WHITE w/GREEN STRIPE
BR - BROWN BL/B - BLUE w/BLACK STRIPE W/OR - WHITE w/ORANGE STRIPE
G - GREEN G/B - GREEN w/BLACK STRIPE W/R - WHITE w/RED STRIPE
GY - GREY OR/B - ORANGE w/BLACK STRIPE W/Y - WHITE w/YELLOW STRIPE
OR - ORANGE P/BL - PURPLE w/BLUE STRIPE Y/B - YELLOW w/BLACK STRIPE
PK - PINK R/B - RED w/BLACK STRIPE Y/R - YELLOW w/RED STRIPE
P - PURPLE W/B - WHITE w/BLACK STRIPE
R - RED W/BL - WHITE w/BLUE STRIPE

Table of Contents

Related product manuals