EasyManua.ls Logo

Cushman 898673 - Page 175

Cushman 898673
189 pages
Print Icon
To Next Page IconTo Next Page
To Next Page IconTo Next Page
To Previous Page IconTo Previous Page
To Previous Page IconTo Previous Page
Loading...
173
B
W/R
BACK-UP
ALARM
G
R
C
HEATER SWITCH
894801
B
G
OR
ST
W/G
G
Y
Y/R
R
B
B
Y
R
WIPER
DOME LIGHT
HARNESS
894804
B
BR
BL
OR
Y/B
P/BL
W/Y
W
10 GAUGE
W/Y
OR/B
B
CAB
STOPLIGHT
B
BL
OR
W
B
B
R
R
B
R
B
Y
R
OR
R
Y
OR
B
W/R
B
R
W/R
W/RR
B
B
B
Y/R
R/B
B
B
B
B
B
B
B
B
B
G
G
R
R
R
OR/B
R
ACC POWER
Y/R
Y/R
B
B
R
W
B
B
R
R
BR
BL
BL
R
B
B
BL
B
B
B
G/B
G/B
R
Y/R
BR
B
BR
R/B
B
BL/B
B
B
BL/B
BL/B
R/B
Y/R
W/BL
B
B
B
G
B
W/OR
R
R
R
R
Y
B
ACC POWER
W/OR
W/OR
OR
G
B
B
W/R
W/R
B
B
B
R
R
P
G
G
W
B
B
R/B
P/BL
PIN 1 NOT USED
PIN 2 W 49--W/BR
PIN 3 W 21--BR
PIN 4 W 42--R/B
PIN 5 NOT USED
PIN 6 NOT USED
PIN 7 W 48--W/B
PIN 8 W 31--W/Y
PIN 9 W 53--W/OR
PIN 10 W 4--W
PIN 11 W 2--OR
PIN 12 W 11--P/BL
PIN 13 W 33--GR/B
PIN 14 W 34--W/R
PIN 15 W 36--Y/B
PIN 16 W 54--B
PIN 17 W 30--W/BL
PIN 18 W 28--G
W/BR
W/BR
W/RW/R
W/BW/B
BR
BR
BR
B
G/B
BR
BR
BR
B
OR/B
B
R
W/R
P
G
P
OR/B
R/B
OR/B
OR/B
Y/B
Y/B
G/B
Y/B
B
B
B
BL
BL
W
W
W/OR
Y
W/BL
BR
B
BR
B
W/G
P
W/R
B
B
B
W/BL
B
R/B
R/B
W/BL
OR/B
OR/B
BR
B
B
G
G
G
TO SHIFTER LIGHT
OR
B
R
R
R
Y
OR
B
R
Y
B
OR
W/R
B
R
W/R
B
GY/B
OR
OR
OR
OR
B
B
P
W
OR
R/B
B
B
B
G/B
Y/B
R/B
W/BL
Y
R
Y/R
Y/R
B
B
B
B
B
B
B
B
G
OR
P
W/OR
P
B
BR
BL/B
R/B
B
Y
Y/R
IGN
ACC
BAT
W/R
OR/B
BL
W
R
G
BLW
B
B
BL
BL
W
W
B
B
R
R
BB
B
BL
B
OR/B
BR
R
R
OR/B
OR/B
BB
W/RW/R
BL/B
R/B
BL/B
BR
B
B
R/B
BR
BL/B
R/B
B
R
B
G
Y
GY
Y/R
BL/B
Y/B
Y/B
OR
OR/B
B
R
R
OR/B
OR/B
BR
BR
BR
W/R
W/BR
P/BL
W/Y
W/B
R/B
OR
P/BL
W/Y
BR
Y/B
B
W/BL
R/B
W/BR
W
G/B
G
W/R
W/B
W/OR
G/B
G/B
R/B
BL/B
BR
B
B
R/B
W/G
Y
B
PK
G
B (CABLE)
W/Y
GY
SHIELD (CABLE)
BL
B
G
CLEAR (CABLE)
BR
W/BL
SPARE IDLE- UP
TRAILER BRAKE
RECEPT ACLE
PIN 1 WHITE/BLUE
PIN 2 BROWN
PIN 3 CLEAR (CABLE)
PIN 4 NOT USED
PIN 5 PINK
PIN 6 GREEN
PIN 7 YELLOW
PIN 8 WHITE/GREEN
PIN 9 WHITE/YELLOW
PIN 10 NOT USED
PIN 11 BLACK (CABLE)
PIN 12 NOT USED
PIN 13 GRAY
PIN 14 SHIELD (CABLE)
PIN 15 BLACK
PIN 16 BLACK
PIN 17 GREEN
PIN 18 BLUE
INDUSTRIAL TAILLIGHT
HARNESS
894314
B
B
BR
BR
BR
B
TAILLIGHT
ADAPTER
TURN SIGNAL SWITCH
894288
FLASHER
825501
LEFT
TURN SIGNAL
894855
LEFT
HEADLIGHT
837303
RIGHT
TURN SIGNAL
894855
RIGHT
HEADLIGHT
837303
HARNESS 894597
TRAILER BRAKE
CONTROLLER
893562
B
B
OR/B
OR/B
TRAILER
BRAKES
HEADLIGHT SWITCH
843581
TURF TAILLIGHT
HARNESS
894313
HARNESS
894266
DASH PANEL
841636
BRAKE FLUID
RESERVOIR
894456
COOLANT OVERHEAT
ALARM
890000
WIPER MOTOR
886497
HARNESS 894815
DOMELIGHT
182399
GROUND
STANDOFF
828231
FUSE HOLDER
825996
HORN
886090
POWER POINT
843942
KEY SWITCH
837295
BRAKE
LIGHT
SWITCH
894308
HARNESS
894531
HEATER FAN
894805
JUMPER
894792
AUTO TRANS
CONTROLLER
894034
L
M
R
B
HEATER HARNESS
894806
HORN BUTTON
830366
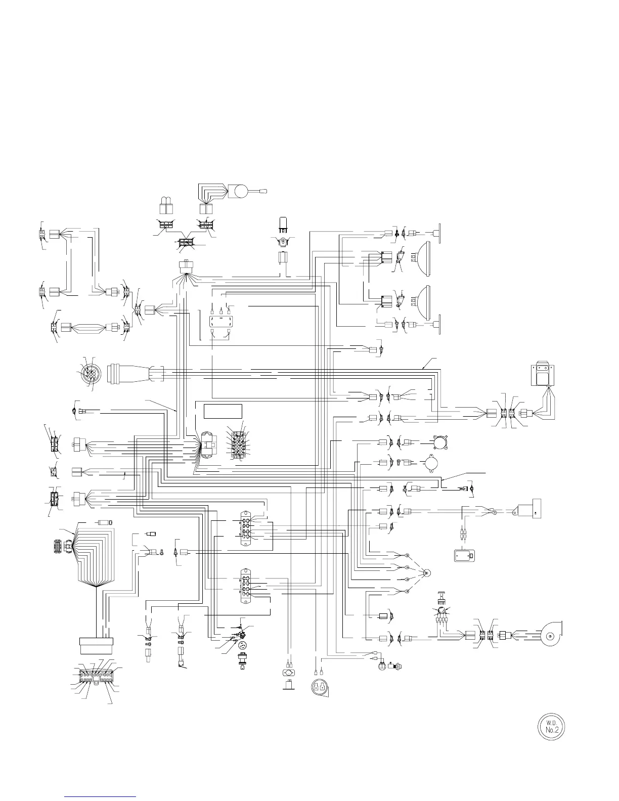
WIRING DIAGRAM
SUZUKI K6A TURF TRUCKSTER
with AUTOMATIC TRANSMISSION (con’t.)

Table of Contents

Related product manuals