EasyManua.ls Logo

Cushman 898673 - Clutch and Driveshaft (Suzuki K6 A)

Cushman 898673
189 pages
Print Icon
To Next Page IconTo Next Page
To Next Page IconTo Next Page
To Previous Page IconTo Previous Page
To Previous Page IconTo Previous Page
Loading...
118
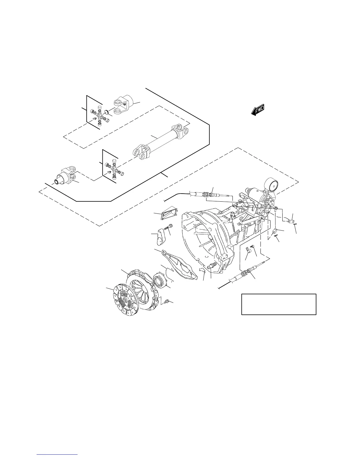
CLUTCH and DRIVESHAFT (SUZUKI K6A)
The Two (2) Tubing Clamps (Ref. No.
19) Are Used to Help Secure the
Shifter Cables
4
2
3
6
3
5
1
21
15
16
17
12
11
7
9
8
10
14
13
22
19
18
20
23
20
23
Front Of Vehicle

Table of Contents

Related product manuals