EasyManua.ls Logo

Cushman 898673 - Page 181

Cushman 898673
189 pages
Print Icon
To Next Page IconTo Next Page
To Next Page IconTo Next Page
To Previous Page IconTo Previous Page
To Previous Page IconTo Previous Page
Loading...
179
W/G
Heater Harness
894806
Y
R/B
R R
B
W/R
B
R
Y
R
Y
B
OR
OR
B
OR
OR
OR
OR
R/B
B
B
B
0R/B
R
B
Y/R
B
Y/R
B
Y/B
B
G/B
B
Y
B
W/BL
B
R/B
Y/R
Y
ST
IGN
BAT
ACC
W/R
B
OR/B
BL
BL
W
R
G
BLW
B
B
BL
BL
W
W
B
B
R
R
B
B
B
B
B
OR/B
OR/B
BB
W/R
R
B
G
GY/B
Y
GY
Y/R
BL/B
Y/B
Y/B
OR
OR/B
OR/B
OR/B
BR
BR
BR
OR
P/BL
W/Y
BR
Y/B
B
W/BL
R/B
W/BR
W
G/B
G
W/R
W/B
W/OR
G/B
G/B
R/B
BL/B
BR
B
B
R/B
B
G
OR
P
W/OR
P
W
B
B
R
B
R
R
B
R
B
R
OR
C
R
ML
OR
R
Y
B
W/R
B
B
Y/R
B
R/B
B
B
B
B
B
B
B
B
B
R
OR/B
R
Y/R
Y/R
B
B
Y/R
W
B
B
R
R
BR
BL
BL
R
B
BL
B
B
B
G/B
G/B
Y/R
BR
B
BR
R/B
B
BL/B
B
Y/R
B
W/BL
B
B
B
G
B
W/OR
Y
R
R
R
R
R
Y
B
W/OR
W/OR
OR
G
B
W/R
B
B
B
R
G
G
G
OR
W
R/B
PIN 1 NOT USED
PIN 2 W 49- W/BR
PIN 3 W 21- BR
PIN 4 W 42- R/B
PIN 5 NOT USED
PIN 6 NOT USED
PIN 7 W 48- W/B
PIN 8 W 31- W/Y
PIN 9 W 53- W/OR
PIN 10 W 4- W
PIN 11 W 2- OR
PIN 12 W 11- P/BL
PIN 13 W 33- GR/B
PIN 14 W 34- W/R
PIN 15 W 36- Y/B
PIN 16 W 54- B
PIN 17 W 30- W/BL
PIN 18 W 28- G
W/BR
W/R
W/Y
W/B
P/BL
BR
BR
B
G/B
W/R
P
G
P
OR/B
OR/B
OR/B
Y/B Y/B
Y/B
G/B
OR
Y/B
OR/B
B
B
B
BL
BL
W
W
W/OR
Y
W/BL
BR
B
BR
B
B
W/G
Y
P
W/R
B
B
B
R
R
W/BL
B
R/B
G
W/BL
OR/B
OR/B
OR/B
BR
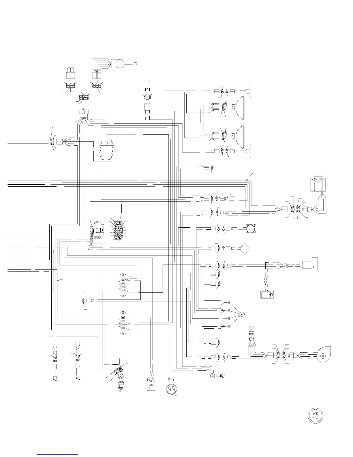
Taillight
Adapter
Turn Signal
Switch 894288
Flasher
825501
Left Turn
Signal
Left Headlight
837303
Right Headlight
837303
Right Turn
Signal
Cab Stop
Light
Headlight Switch
843581
BL
B
OR/B
BR
Trailer
Brakes
W/R
Brake Fluid
Reservoir 894456
Coolant
Overheat Alarm
890000
Dash Panel
841636
Power Point
R/B
W
OR
G
P
R
R
B
B
B
B
W/R
W/B
W/Y
P/BL
W/BR
Main Harness
894266
Auto Tran
Controller
Acc Power
Acc Power
Wiper Motor
886497
Wiper, Dome
Light Harness
894804
Dome Light
182399
Heater Fan
894805
Heater Switch
894801
Ground Standoff
828231
Horn Button
830366
Acc Power
Horn 886090
Power Point
843942
Key Switch
837295
Brake Light
Switch 894308
Clutch Switch
894308
Trailer Brake
Controller
893562
Harness
894597
Fuse Holder
825996
WIRING DIAGRAM
SUZUKI 970 TURF TRUCKSTER (con’t.)

Table of Contents

Related product manuals