EasyManua.ls Logo

FPT F32 MNS - BOSCH VE 4;12 F Pump

Default Icon
162 pages
Print Icon
To Next Page IconTo Next Page
To Next Page IconTo Next Page
To Previous Page IconTo Previous Page
To Previous Page IconTo Previous Page
Loading...
SECTION 3 - INDUSTRIAL APPLICATION
9
F32 SERIES
Pri nt P2D32F005 E Base - April 2009
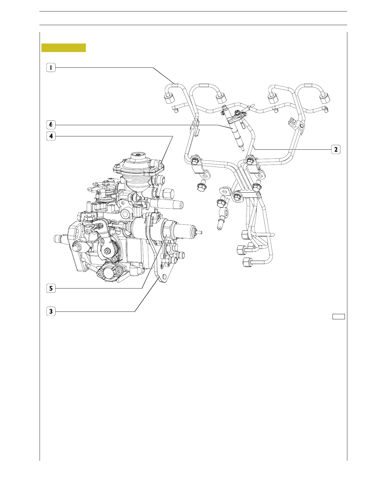
BOSCH VE 4/12F Pump
Figure 9
118976
1. Fuel delivery pipes - 2. Fuel recovery pipes - 3. Mechanical pump - 4. LDA - 5. Wax KSB - 6. Injectors.

Table of Contents

Related product manuals