EasyManua.ls Logo

Honeywell AUTOMATIC CONTROL - Multizone Unit

Honeywell AUTOMATIC CONTROL
518 pages
Print Icon
To Next Page IconTo Next Page
To Next Page IconTo Next Page
To Previous Page IconTo Previous Page
To Previous Page IconTo Previous Page
Loading...
ENGINEERING CMANUAL OF AUTOMATION CONTROL
AIR HANDLING SYSTEM CONTROL APPLICATIONS
250
MULTIZONE UNIT
Functional Description
M10479
OA
RA
SA
2
ON
1
22
78
14
4
3
NORMAL
ECONOMIZER DECISION.
REFER TO PREVIOUS
ECONOMIZER OPTIONS
OA MINIMUM SETPOINT
(NOTE: THE TEST AND
BALANCE INITIAL
VALUE FOR PROPER
VENTILATION IS 22)
CONTROL
PROGRAM
22
13
8
11
16
12
15
57
77
PERCENT
OPEN
10
77
00
00
74
46
74
SETPOINT
SPACE
TEMPERATURE
PERCENT
OPEN TO
COLD
DECK
HALL
LOBBY
74
62
74
74
100
76
EAST
OFFICE
WEST
OFFICE
5 7
6
THE ZONE WITH THE GREATEST HEATING DEMAND
RESETS THE HOT DECK TEMPERATURE FROM
TO DEGREES AS REQUIRED TO
MAINTAIN ITS SPACE TEMPERATURE
DEGREES BELOW SETPOINT.
THE ZONE WITH THE GREATEST COOLING DEMAND
RESETS THE COLD DECK TEMPERATURE FROM
TO DEGREES AS REQUIRED TO
MAINTAIN ITS SPACE TEMPERATURE
DEGREES ABOVE SETPOINT.
2.0
2.0
78
55
55
97
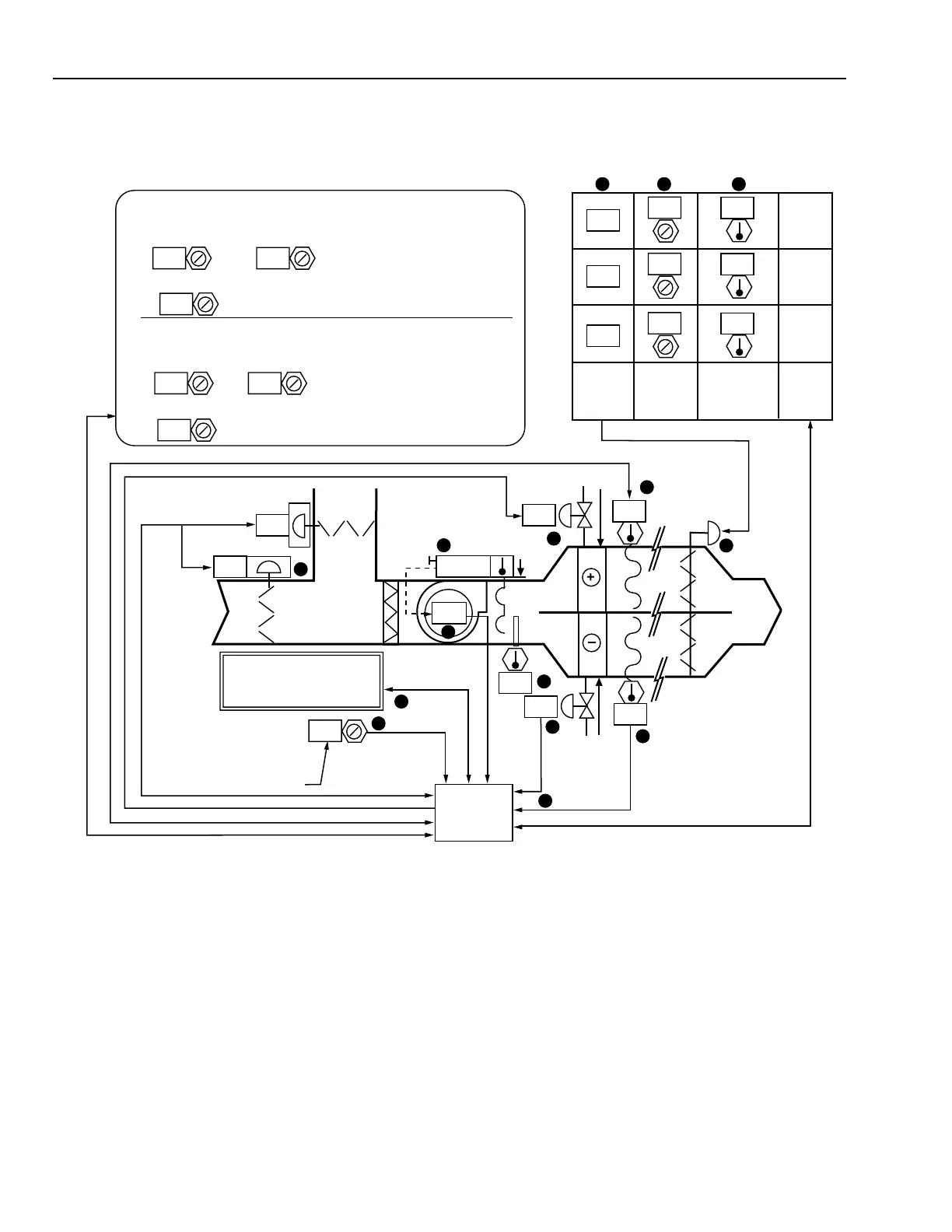
Item
No. Function
1,2 Control system energizes when fan is turned
on (See FAN SYSTEM START-STOP
CONTROL).
3,4 Mixing dampers position to minimum
position during occupied fan operation and
modulate for cooling.
5-8 Zone mixing dampers modulate to maintain
space temperature setpoint.
9 Zone with greatest cooling demand
determines cold deck temperature setpoint,
and zone with greatest heating demand
determines hot deck temperature setpoint.
10,11 Hot deck valve modulated to maintain hot
deck temperature setpoint.
12,13 Cold deck valve modulated to maintain cold
deck temperature setpoint.
14 Economizer enables free cooling when OA is
suitable.
15 Fan leaving air temperature for operator
information.
16 Control program coordinates cooling, heating,
ventilation, and fan interlock control.

Table of Contents

Related product manuals