EasyManua.ls Logo

Honeywell AUTOMATIC CONTROL - Multiple Centrifugal Chiller Sequencing

Honeywell AUTOMATIC CONTROL
518 pages
Print Icon
To Next Page IconTo Next Page
To Next Page IconTo Next Page
To Previous Page IconTo Previous Page
To Previous Page IconTo Previous Page
Loading...
ENGINEERING MANUAL OF AUTOMATIC CONTROL
CHILLER, BOILER, AND DISTRIBUTION SYSTEM CONTROL APPLICATIONS
313
Fig. 18. Digital control of Sequenced Cooling Towers.
Multiple Centrifugal Chiller Sequencing
FUNCTIONAL DESCRIPTION
85.0
CT
4
CT
3
CT
2
CT
1
COOLING TOWER
STAGING & LOADING
CONTROLLER
COMMUNICATION WITH
CONDENSER PUMP/ CHILLER
CONTROLLERS
FAN AND TOWER ISOLATION
VALVE CONTROL (TYPICAL)
M10501
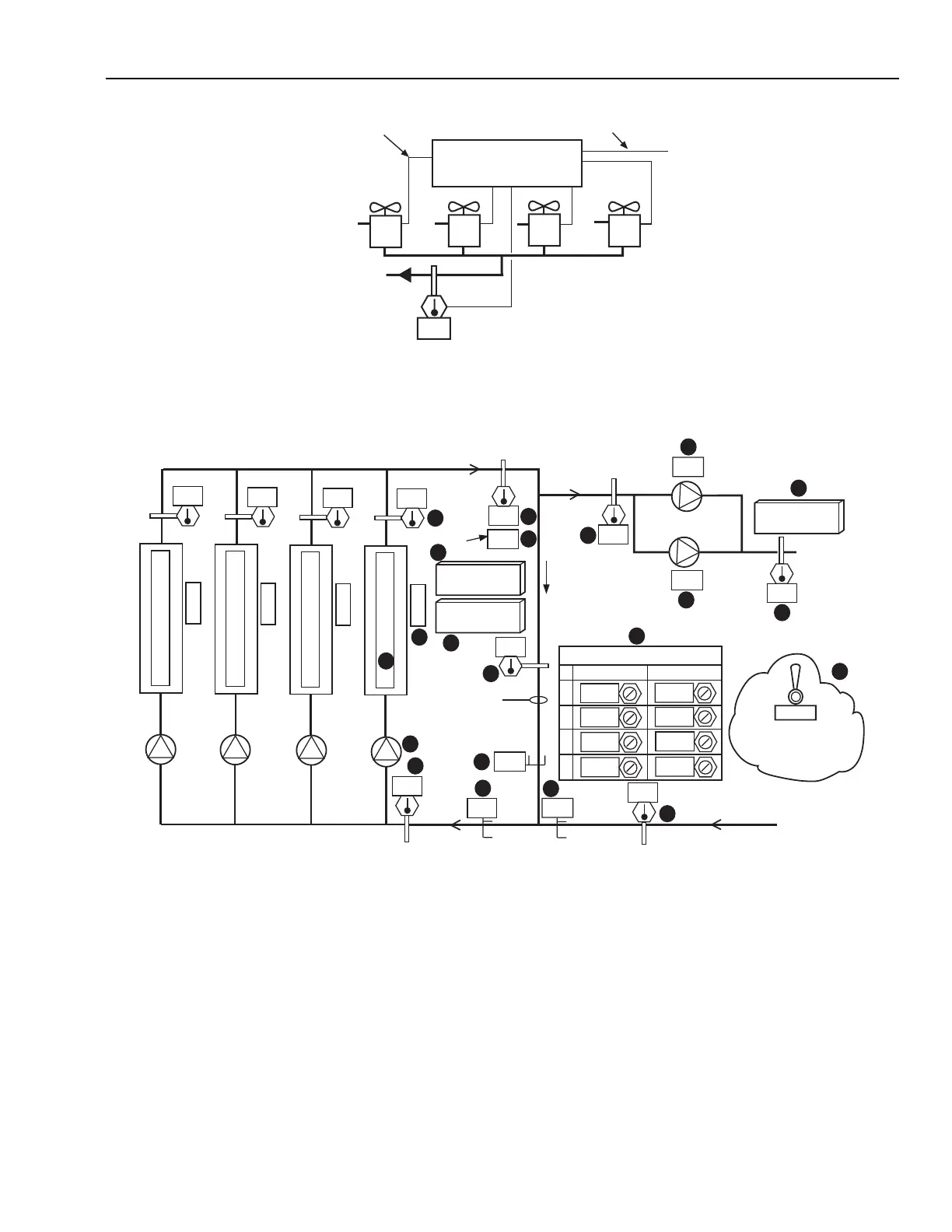
Fig. 19. Control Graphic for Multiple Similar Chillers.
SETPOINT
CONTROL
PUMPS
CHILLERS
1400
1600
45.0
T
SP4
C
H
I
L
L
E
R
4
O
F
F
45.0
T
SP3
C
H
I
L
L
E
R
3
O
N
45.0
T
SP2
C
H
I
L
L
E
R
2
O
F
F
45.0
T
SP1
C
H
I
L
L
E
R
1
O
N
P
P4
P
P3
P
P2
P
P1
53.8
45.0
45.0
45.0
0
55.0
PLANT CONTROL
1
2
3
4
AUTO
SYSTEM
AUTO-MANUAL
SWITCH STATUS
OPTIONAL
Y
G
Y
G
FS
GPM
T
RS
FP
GPM
T
D
T
SP
CHILLER
SEQUENCING
SETPOINT
T
SS
P
S2
T
SS
200
AUTO
AUTO
AUTO
AUTO
AUTO
AUTO
AUTO
AUTO
74
% SPEED
% SPEED
SECONDARY
SYSTEM
45.0
GPM
PC
T
RP
DECOUPLER
LINE
45.8
13
10
12
11
15
9
21
6
14
19
16
2
4
1
3
17
8
18
5
7
20
M10502
Item No. Function
1,2 Secondary pump speeds.
3Icon for selection of secondary control details.
4 Secondary pump leaving water temperature
(operator information).
5Four chiller pump status indicators (green = on,
yellow = off, red = alarm) (typical).
6Four Icons for selection of chiller detail graphic.
7Four chiller status indicators (typical), operator
information.
8 BMCS commandable AUTO-OFF functions for
each chiller and ON-OFF-AUTO functions for
each chiller pump.
9 Decoupler temperature—indicates direction of flow.
10 Primary flow—indicates primary loop loading.
11 Secondary flow—indicates secondary loop loading.
12 Decoupler flow the difference between primary
and secondary flows.
13-16 Temperatures for calculating secondary flow.
17 Status of optional AUTO-MANUAL toggle switch.
18 Four chiller CHWS temperature indicators.
19 Operator information (from secondary system).
20 Icon for selection of chilled water setpoint details
display.
21 Icon for selection of chiller sequencing display
(Fig. 20).

Table of Contents

Related product manuals