EasyManua.ls Logo

Honeywell AUTOMATIC CONTROL - Page 401

Honeywell AUTOMATIC CONTROL
518 pages
Print Icon
To Next Page IconTo Next Page
To Next Page IconTo Next Page
To Previous Page IconTo Previous Page
To Previous Page IconTo Previous Page
Loading...
ENGINEERING MANUAL OF AUTOMATIC CONTROL
CHILLER, BOILER, AND DISTRIBUTION SYSTEM CONTROL APPLICATIONS
391
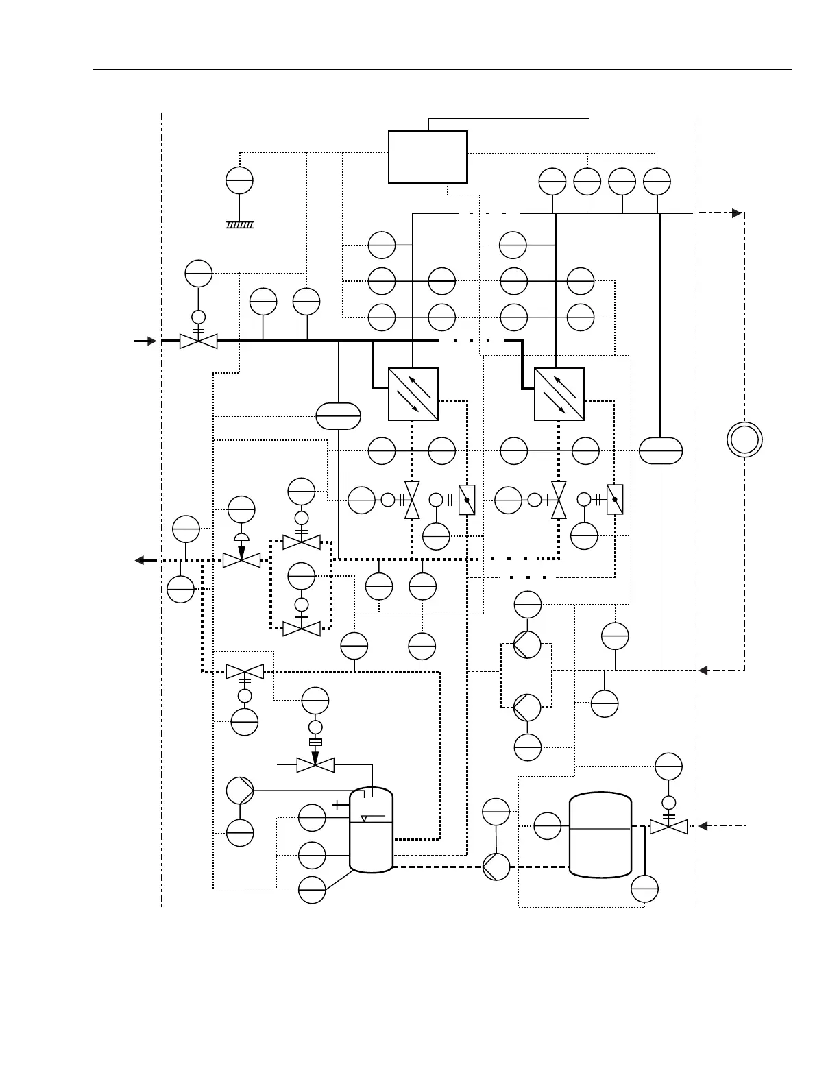
Fig. 136. DDC Control of Large High Performance Indirect Heat Transfer Substation.
TZA+
41
PZA–
42
PZA+
43
TIC
44
TZA+
26
TZA+
36
PZA–
27
TIC
28
TIC
38
PZA–
37
TSA+
25
TSA+
35
PZA+
24
PI
13
TI
12
TI
01
Y
11
PZA+
34
TSA+
22
TSA+
32
T1
21
T1
31
PDIC
14
PDIC
45
Y
19
PI
110
QIR
111
Y
18
M
Y
51
Y
55
M
Y
17
M
Y
61
M
Y
54
LIC
56
PIC
57
PSA+
58
PSA+
52
QIR
53
Y
48
M
Y
49
QIR
62
LIC
63
Y
64
PI
46
TI
47
M
Y
23
M
Y
33
M
Y
39
M
Y
29
TI
15
PI
16
M
DDC
OUTSIDE AIR
SUPPLIER
CENTRAL
SYSTEM
SUBSTATION
CONSUMER
PSF
PRF
SSF
SRF
COLD WATER
WATER SUPPLY TANK
EXPANSION TANK
M11429
HEX1
HEX12

Table of Contents

Related product manuals