EasyManua.ls Logo

Hypercom IEN 1000 - Page 74

Default Icon
198 pages
Print Icon
To Next Page IconTo Next Page
To Next Page IconTo Next Page
To Previous Page IconTo Previous Page
To Previous Page IconTo Previous Page
Loading...
CHAPTER 3
3-28 IEN HARDWARE REFERENCE 940043-002
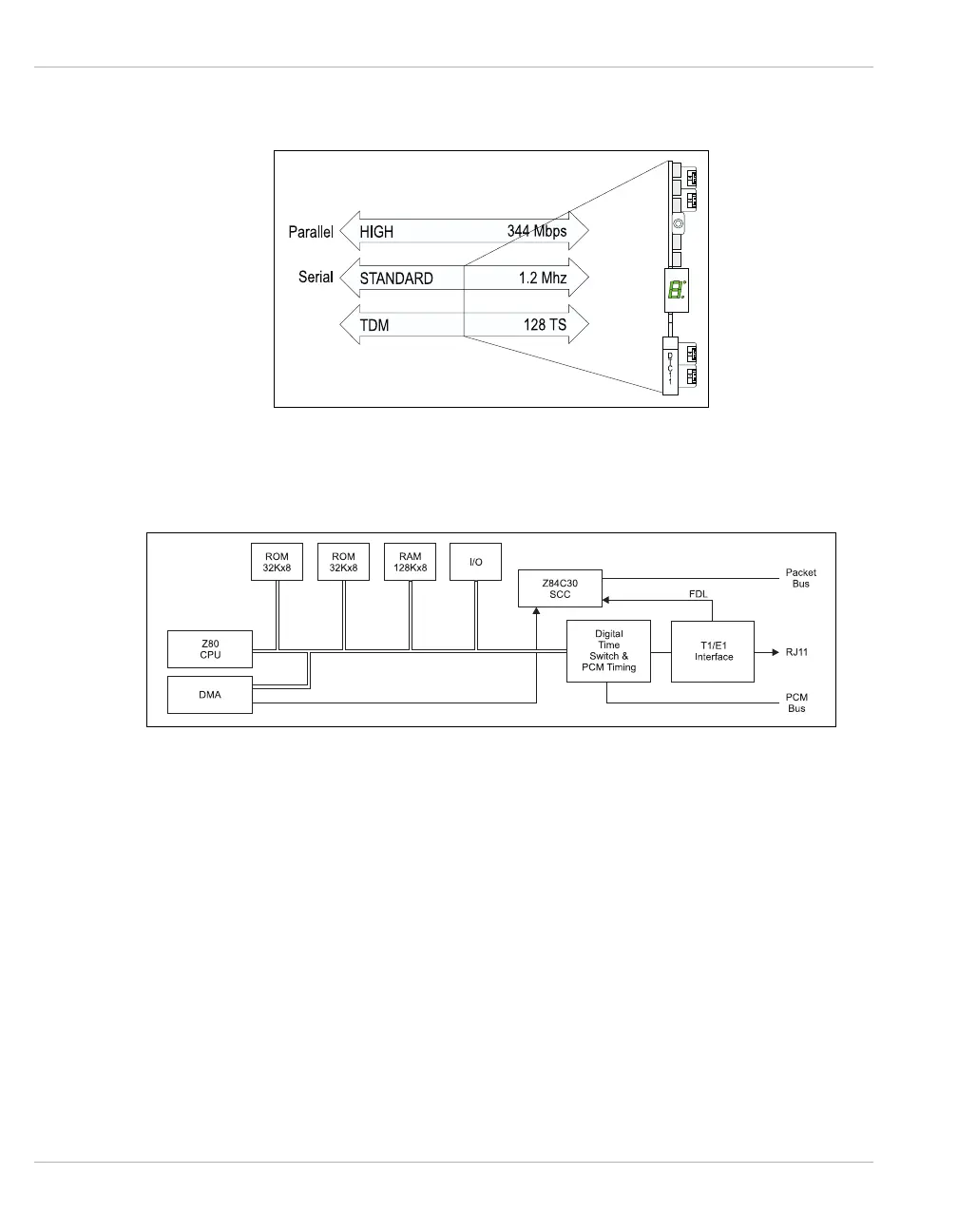
Figure 3-24 illustrates the bus communications for the DTC11-LHO/E1 port processor.
Figure 3-24 DTC11-LHO/E1 Bus Communications
Figure 3-25 illustrates the block diagram for the DTC11-LHO/E1 port processor.
Figure 3-25 DTC11-LHO/E1 Block Diagram

Table of Contents