EasyManua.ls Logo

IAI X-SEL - Page 67

IAI X-SEL
535 pages
Print Icon
To Next Page IconTo Next Page
To Next Page IconTo Next Page
To Previous Page IconTo Previous Page
To Previous Page IconTo Previous Page
Loading...
37
INTELLIGENT ACTUATOR
Part 1 Installation
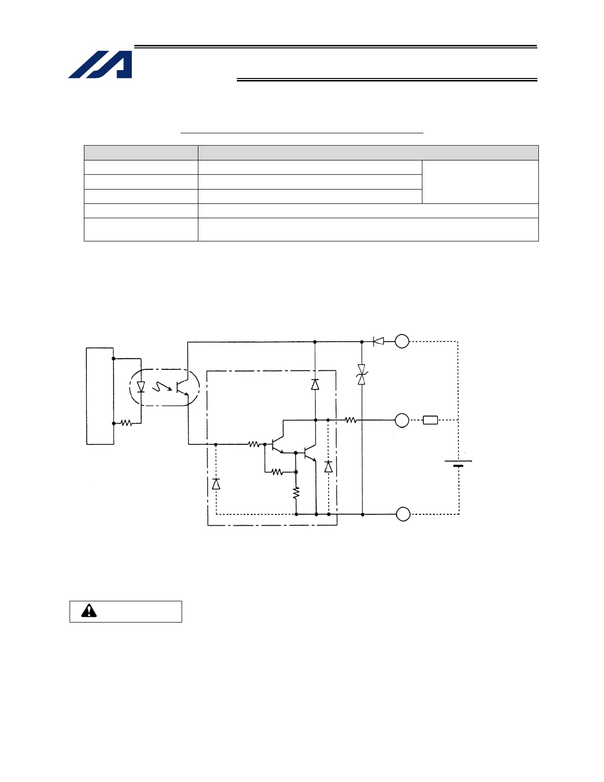
(2) Output part
External Output Specifications (NPN Specification)
Item Specification
Load voltage 24 VDC
Maximum load current 100 mA per point, 400 mA per 8 ports Note)
Leakage current 0.1 mA max. per point
TD62084 (or equivalent)
Insulation method Photocoupler insulation
External devices
[1] Miniature relay
[2] Sequencer input unit
Note) 400 mA is the maximum total load current of every eight ports from output port No. 300. (The
maximum total load current of output port No. 300 + n to No. 300 + n + 7 is 400 mA, where n is 0
or a multiple of 8.)
[Output circuit]
* P24: I/O interface pin No. 1
* N: I/O interface pin No. 50
Caution
In the event that the load is short-circuited or current exceeding the maximum load current is
input, the overcurrent protection circuit will be actuated to cut off the circuit. However, give due
consideration to the circuit connection layout to prevent short-circuit or overcurrent.
Internal circuit
10
N*
D
P24*
+
-
Surge absorber
Output terminal
Load
External power supply
24 VDC 10%

Table of Contents

Other manuals for IAI X-SEL

Related product manuals