EasyManua.ls Logo

IMO iSmart V4 - Page 112

IMO iSmart V4
274 pages
Print Icon
To Next Page IconTo Next Page
To Next Page IconTo Next Page
To Previous Page IconTo Previous Page
To Previous Page IconTo Previous Page
Loading...
Chapter 5 Relay Ladder Logic Programming 98
-
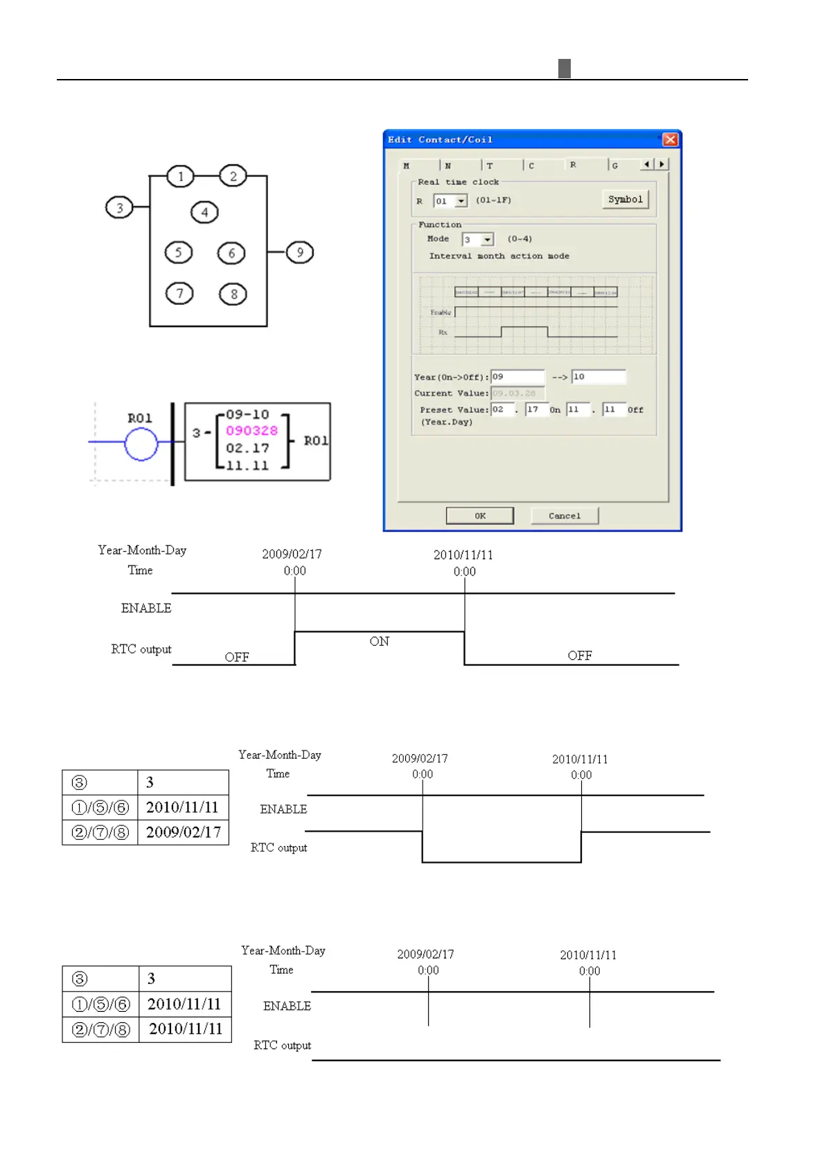
Example 1:
Example 2:
Example 3:

Table of Contents