EasyManua.ls Logo

KAMAZ 5490 - Page 206

KAMAZ 5490
327 pages
Print Icon
To Next Page IconTo Next Page
To Next Page IconTo Next Page
To Previous Page IconTo Previous Page
To Previous Page IconTo Previous Page
Loading...
8
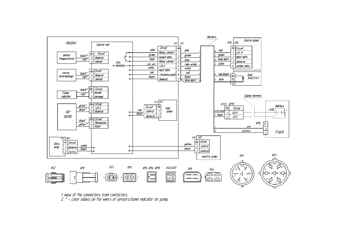
Figure 1- Pre-heater electric circuit

Table of Contents