EasyManua.ls Logo

KAMAZ 5490 - Page 226

KAMAZ 5490
327 pages
Print Icon
To Next Page IconTo Next Page
To Next Page IconTo Next Page
To Previous Page IconTo Previous Page
To Previous Page IconTo Previous Page
Loading...
10
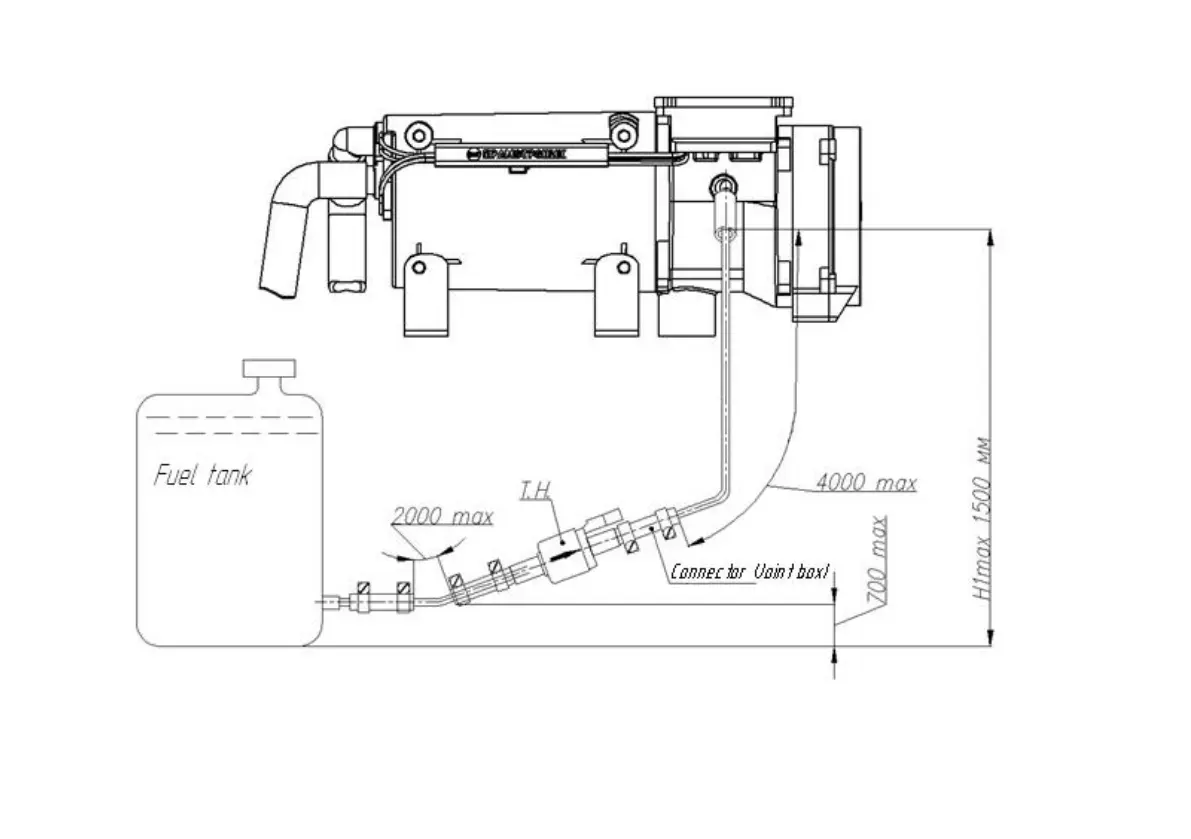
Fig. 6. The diagram of the assembly of the fuel system of the heater with an individual fuel tank

Table of Contents