EasyManua.ls Logo

Orphee mythic 22 - Page 105

Orphee mythic 22
105 pages
Print Icon
To Previous Page IconTo Previous Page
To Previous Page IconTo Previous Page
Loading...
REF : M22/UM/EN/014
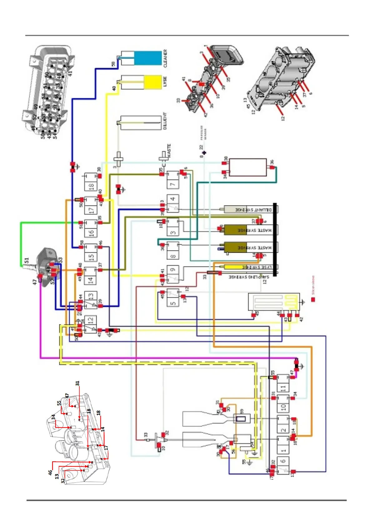
9. SERVICE
MYTHIC 22
Copyright© Orphée SA. All Rights Reserved.
Page 105/105

Table of Contents