EasyManua.ls Logo

Piper Dakota - Stabilator Trim Control

Piper Dakota
616 pages
Print Icon
To Next Page IconTo Next Page
To Next Page IconTo Next Page
To Previous Page IconTo Previous Page
To Previous Page IconTo Previous Page
Loading...
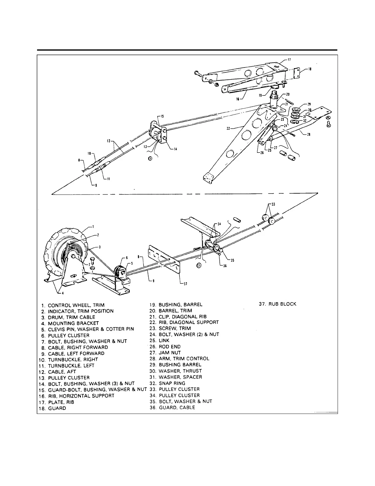
Figure 27-18. Stabilator Trim Control
27- 33 - 00
Page 27 - 35
Reissued: August 1, 1986
1L9
PIPER AIRCRAFT
PA-28-236
MAINTENANCE MANUAL

Table of Contents

Related product manuals