EasyManua.ls Logo

Piper Dakota - Avionics Bus (with Master, Emergency Switches); Pitot Heat; Fuel Pump

Piper Dakota
616 pages
Print Icon
To Next Page IconTo Next Page
To Next Page IconTo Next Page
To Previous Page IconTo Previous Page
To Previous Page IconTo Previous Page
Loading...
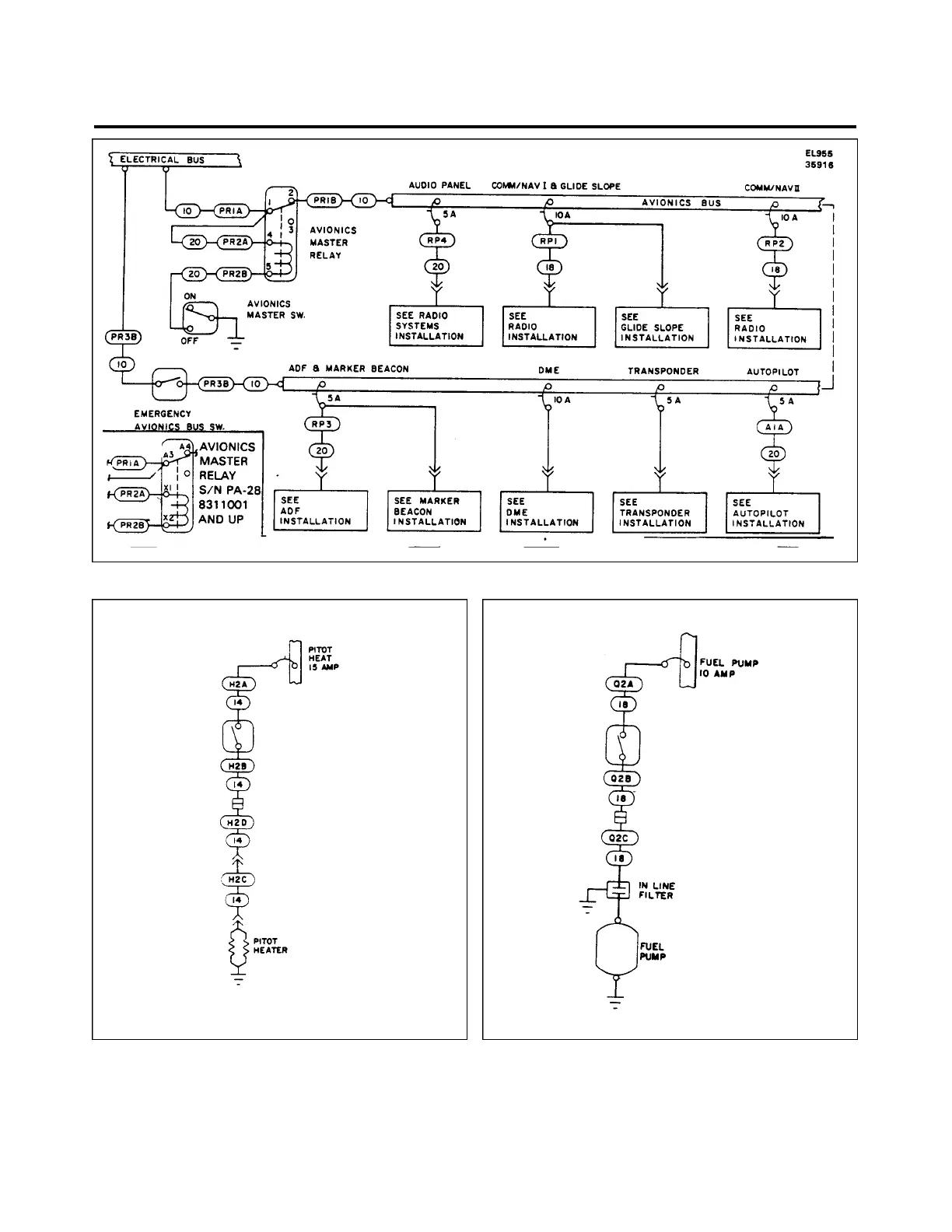
Figure 91-8. Avionics Bus (With Master, Emergency Switches) (Optional)
Figure 91-9. Pitot Heat Figure 91-l0. Fuel Pump
91 - 33 - 00
Page 91 - 27
Reissued: August 1, 1986
3B24
PIPER AIRCRAFT
PA-28-236
MAINTENANCE MANUAL

Table of Contents

Related product manuals