EasyManua.ls Logo

Piper Dakota - Digital and Electrical Clock and Hourmeter; Engine Gauges

Piper Dakota
616 pages
Print Icon
To Next Page IconTo Next Page
To Next Page IconTo Next Page
To Previous Page IconTo Previous Page
To Previous Page IconTo Previous Page
Loading...
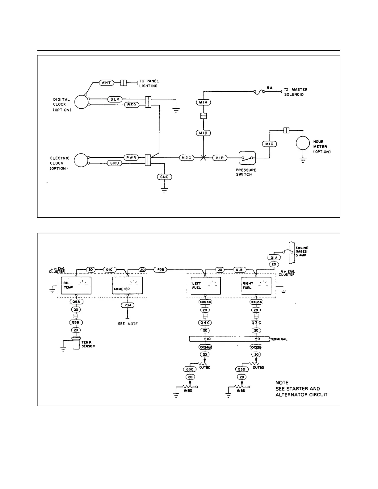
Figure 91-11. Digital and Electrical Clock and Hourmeter (Optional)
Figure 91-l2. Engine Gauges
91 - 33 - 00
Page 91 - 28
Reissued: August 1, 1986
3C1
PIPER AIRCRAFT
PA-28-236
MAINTENANCE MANUAL

Table of Contents

Related product manuals