EasyManua.ls Logo

Piper Warrior III - Page 499

Piper Warrior III
1104 pages
Print Icon
To Next Page IconTo Next Page
To Next Page IconTo Next Page
To Previous Page IconTo Previous Page
To Previous Page IconTo Previous Page
Loading...
PIPER AIRCRAFT, INC.
PA-28-161, WARRIOR III
MAINTENANCE MANUAL
PAGE 3
Nov 30/06
3D19
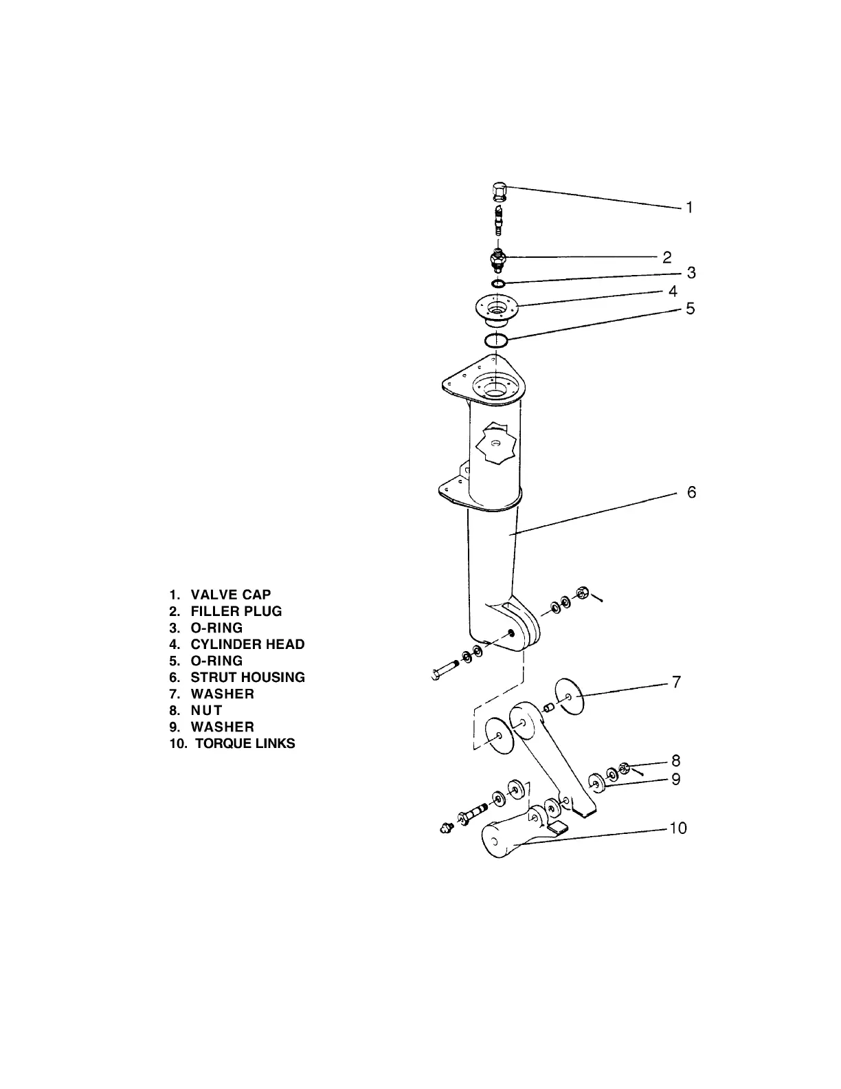
32-10-00
Main Gear Oleo Strut
Figure 1 (Sheet 2 of 2)

Table of Contents

Related product manuals