EasyManua.ls Logo

Roland M-5000 - Block Diagram

Roland M-5000
276 pages
To Next Page IconTo Next Page
To Next Page IconTo Next Page
To Previous Page IconTo Previous Page
To Previous Page IconTo Previous Page
Loading...
272
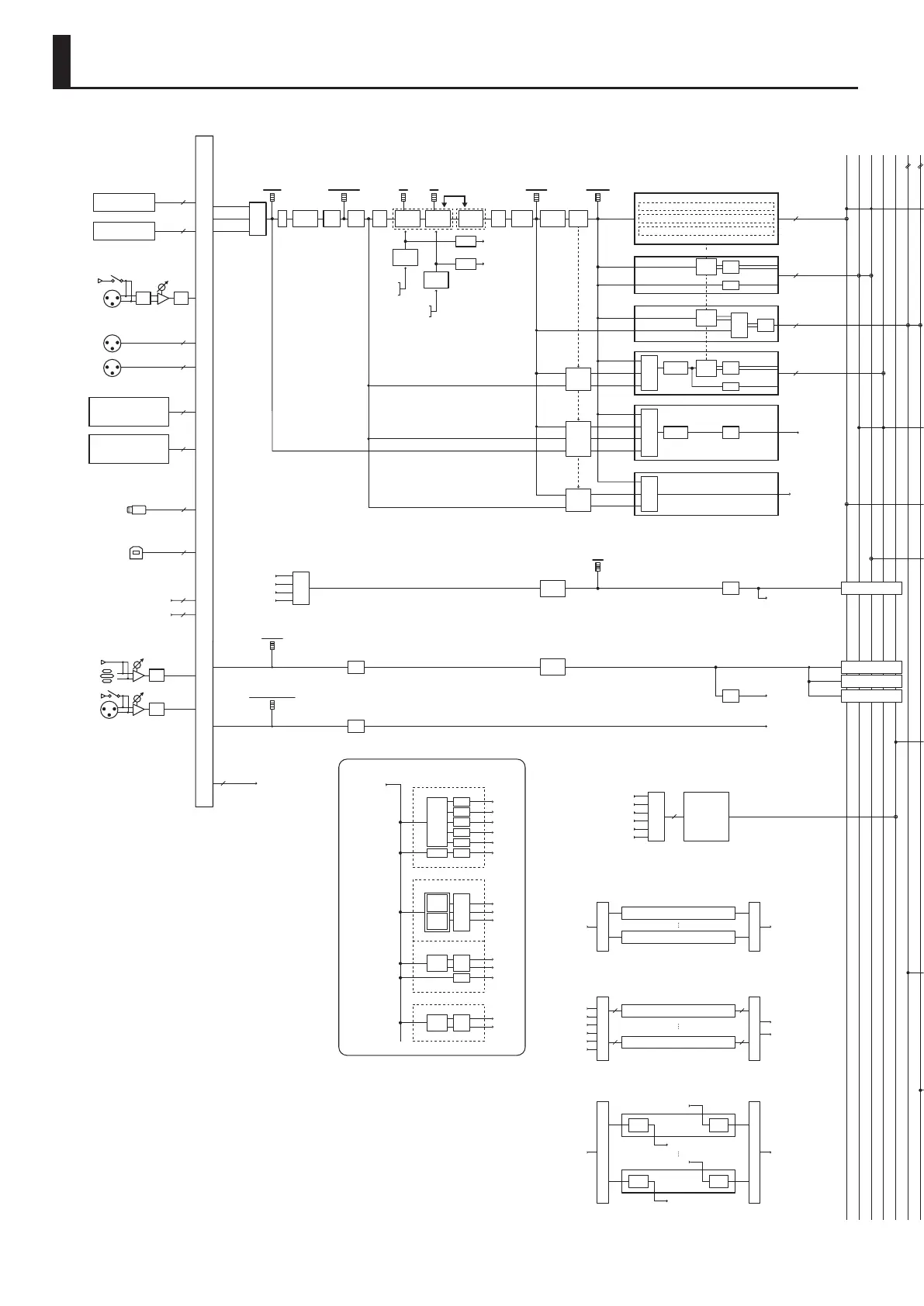
Block Diagram
MAIN
SUBGROUP
AUX
MATRIX
SOLO 1
SOLO 2
MIX-MINUS
MAIN
SUBGROUP
AUX
MATRIX
SOLO 1
SOLO 2
MIX-MINUS
INPUT
PATCHBAY
RECORDER PLAY
FX 1L–8R OUT
CH TOP
D.GAIN
REAC A
40
SEL
HPF
LPF
MUTE
MUTE
OPTON
MUTE
OPTION
MUTE
OPTION
ON
ON
STEREO
MONO
FADER
DYN 1 DELAY
TO SUBGROUP / MIX-MINUS
TO MAIN (5.1, LCR, or LR)
TO MAIN PAN
DYN 2
INS
A
4-BAND
EQ
KEY-IN
FILTER
INS
B
φ
INPUT CHANNEL (MONO or STEREO)
PAN/
WIDTH
LEVEL
SEL
SEL
PAN/
WIDTH
PAN/
WIDTH
TO AUX
PRE FDR
PRE PROC
POST FDR
AFL
PFL
POST FDR
SEL
DIRECT OUT
SEL
TO MATRIX INPUT
ON
ON
STEREO
MONO
ON
IN
ALT
MTR
SEL
PINK NOISE
WHITE NOISE
SINE WAVE
MULTISINE
TO PATCHBAY
TO MATRIX INPUT
TO PATCHBAY
TO PATCHBAY
LEVEL ON
PRE FDR
PRE PROC
CH TOP
POST FDR
PRE FDR
PRE PROC
TO SOLO
KEY-IN
FILTER
PRE FDR POST FDRPOST D.GAIN GR GR
TO MONITOR
LEVEL
TALKBACK
TALKBACK RETURN
INSERT 1–64 RETURN
GEQ 1–32
EXT
HPF
HPF
TALK 3 ASSIGN
TALK 2 ASSIGN
TALK 1 ASSIGN
GEQ 1 / PEQ 1
GEQ 32 / PEQ 32
TALKBACK
TALKBACK RETURN
SEL
FROM INPUT CH
FROM SUBGROUP
FROM AUX
FROM MIX-MINUS
FROM MAIN
FROM MATRIX
LEVEL
SEND
LEVEL
RETURN
LEVEL
OSCILLATOR
MATRIX INPUT
M x N
MATRIX MIX
ON ASSIGN
OSC
REAC B
40
EXPANSION SLOT (D)
80
2
EXPANSION SLOT (E)
80
16
2
16
64
2 2
2 2
INS A/B SEND
IN SEL
INS A/B RETURN
OUT SEL
FX 1–8
FX 1
FX 8
IN SEL
INS A/B RETURN
PATCHBAY
OUT SEL
SOLO
TO SOLO 1/2
SOLO
TO SOLO 1/2
INSERT 1–64
INSERT 1
INS A/B SEND
IN SEL
INS A/B RETURN
TO PATCHBAY
FROM PATCHBAY
SEND
LEVEL
RETURN
LEVEL
INSERT 64
TO PATCHBAY
FROM PATCHBAY
OUT SEL
A/D
A/D
+48V
MIC 2
+48V
MIC 1
+48V
GAIN
GAIN
CONSOLE INPUT 1–16
A/DPA D
+48V
+48V
GAIN
AES/EBU INPUT
1/2
3/4
DOCK INPUT
2
BAL
SELF
OTHER CH
SELF
OTHER CH
USB AUDIO INPUT
TALKBACK MIC
2
LCR PAN
5.1 SURROUND PAN
LR PAN
DYN/EQ
or
EQ/DYN
M
6, 3, 2
2, 1
2
2, 1
C
L
R
C
Ls
Rs
LFE
L
L
L
R
R
C
R
C
Ls
Rs
LFE
LR
LCR
CENTER
LCR PAN
LCR PAN: ON
LCR PAN: OFF
5.1 SURROUND PAN
LEVEL
PAN/
WIDTH
PAN/
WIDTH
5.1
PA N
L
R
C
LR
LR PAN
PAN/
WIDTH
POST FDR
INS A/B SEND
MAIN OUT
MIX-MINUS OUT
SUBGROUP OUT
AUX OUT
MATRIX OUT
TB RTN
DIRECT OUT
SOLO 1
TRIM
REC
LEVEL
PLAY
LEVEL
RECORDER
USB MEMORY RECORDER (STEREO)
REC PLAY
TO PATCHBAY
CH TOP
D.GAIN
HPF
LPF
MUTEFADER
DELAY
INS
A
INS
B
BAL
φ
SUBGROUP / AUX (MONO or STEREO)
MUTE
OPTON
ON
ON
STEREO
MONO
TO MIX-MINUS
SEL
SEL
PAN/
WIDTH
TO MAIN (5.1, LCR, or LR)
LCR PAN
5.1 SURROUND PAN
LR PAN
TO SOLO
TO MATRIX INPUT
TO SOLO
TO MATRIX INPUT
PRE FDR
PRE PROC
POST FDR
AFL
PFL
ON
PRE FDR POST FDRPOST D.GAIN
OUTPUT
PATCHBAY
REAC A
40
REAC B
40
6, 3, 2
2, 1
EXPANSION SLOT (D)
80
2
OSC 1/2 OUT
TALKBACK
INSERT SEND 1–64
64
FROM INPUT PATCHBAY
298
MONITOR 1 OUT
SOLO 1
SUBGROUP OUT
AUX OUT
REC OUT
EXPANSION SLOT (E)
80
MAIN OUT
MIX-MINUS OUT
SUBGROUP OUT
AUX OUT
MATRIX OUT
IN SEL
6, 3, 2
MONITOR 2 OUT
2
2
PHONES OUT
DOCK OUTPUT
16
USB AUDIO OUTPUT
2
AES/EBU OUTPUT
1/2
D/A
CONSOLE OUTPUT 1–16
2
3/4
TO SOLO 1/2
TO MATRIX INPUT
D/A
LEVEL
DYN 2
4-BAND
EQ
GRGR
DYN/EQ
or
EQ/DYN
DYN 1
KEY-IN
FILTER
KEY-IN
FILTER
SOLO
TO SOLO 1/2
SOLO
TO SOLO 1/2
CH TOP
D.GAIN
HPF
LPF
MUTEFADER
DELAY
INS
A
INS
B
BALBUS TRIM
φ
MAIN (5.1, LCR or LR), MIX-MINUS (MONO or STEREO)
BUS TRIM
BUS TRIM
MUTE
OPTON
SEL
SEL
PRE FDR
PRE PROC
POST FDR
AFL
PFL
ON
PRE FDR POST FDRPOST D.GAIN
MAIN OUT
MIX-MINUS OUT
MAIN DOWNMIX OUT
TO SOLO 1/2
TO MATRIX INPUT
DYN 2
4-BAND
EQ
GRGR
DYN/EQ
or
EQ/DYN
DYN 1
KEY-IN
FILTER
KEY-IN
FILTER
SOLO
TO SOLO 1/2
SOLO
TO SOLO 1/2
TO SOLO
TO MATRIX INPUT
CH TOP
D.GAIN
HPF
LPF
MUTEFADER
DELAY
INS
A
INS
B
φ
MATRIX
MUTE
OPTON
SEL
SEL
PRE FDR
PRE PROC
POST FDR
AFL
PFL
ON
PRE FDR POST FDRPOST D.GAIN
MATRIX OUT
TO SOLO 1/2
TO MATRIX INPUT
DYN 2
4-BAND
EQ
GRGR
DYN/EQ
or
EQ/DYN
DYN 1
KEY-IN
FILTER
KEY-IN
FILTER
SOLO
TO SOLO 1/2
SOLO
TO SOLO 1/2
TO MATRIX INPUT
MAIN OUT
MAIN DOWNMIX (5.1 / LCR to STEREO)
DOWNMIX
MATRIX
6, 3 2
2 2
2
2
2
SOLO 2
TRIM
SOLO 2
2 2
MONITOR 1 (5.1, LCR or STEREO)
MONITOR 2 (STEREO or NONE)
HEADPHONES (MONITOR 1 or MONITOR 2)
SELF
OTHER CH
SELF
OTHER CH
SELF
OTHER CH
SELF
OTHER CH
SELF
OTHER CH
SELF
OTHER CH

Table of Contents

Other manuals for Roland M-5000

Related product manuals