EasyManua.ls Logo

wsm B2420 - With OPC Model

wsm B2420
333 pages
Print Icon
To Next Page IconTo Next Page
To Next Page IconTo Next Page
To Previous Page IconTo Previous Page
To Previous Page IconTo Previous Page
Loading...
ELECTRICAL SYSTEM
B2420, WSM
9-M18
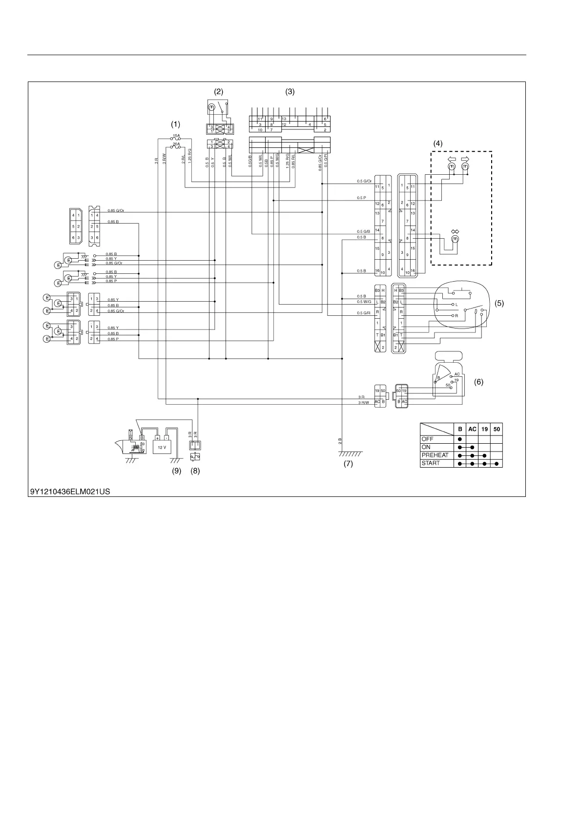
(2) With OPC Model
Hazard switch has two positions; ON and OFF. Blinking the hazard lamp and indicator lamps as shown in the
figure above. The hazard lamp is operative when the key switch is in either the ON or OFF positions.
9Y1210436ELM0030US0
(1) Fuse
(2) Hazard Switch
(3) Flasher Unit
(4) Meter Panel
(5) Combination Switch
(6) Main Switch
(7) Frame Earth
(8) Slow Blow Fuse
(9) Battery
KiSC issued 06, 2012 A

Table of Contents

Related product manuals