EasyManua.ls Logo

Yanmar 3JH3E - 4. Lube Oil Cooler; 4-1 Lube oil cooler construction; 4-2 Inspecting the lube oil cooler

Yanmar 3JH3E
284 pages
Print Icon
To Next Page IconTo Next Page
To Next Page IconTo Next Page
To Previous Page IconTo Previous Page
To Previous Page IconTo Previous Page
Loading...
Chapter 5 Lubrication System
.:.4·;..;L::.=;ub:;.;e:;,...;;;O.,;.;il;..C;;;..o;;.;o;.;;,l,;,;er;.....
_________________________
3,4JH3(B)(C)E
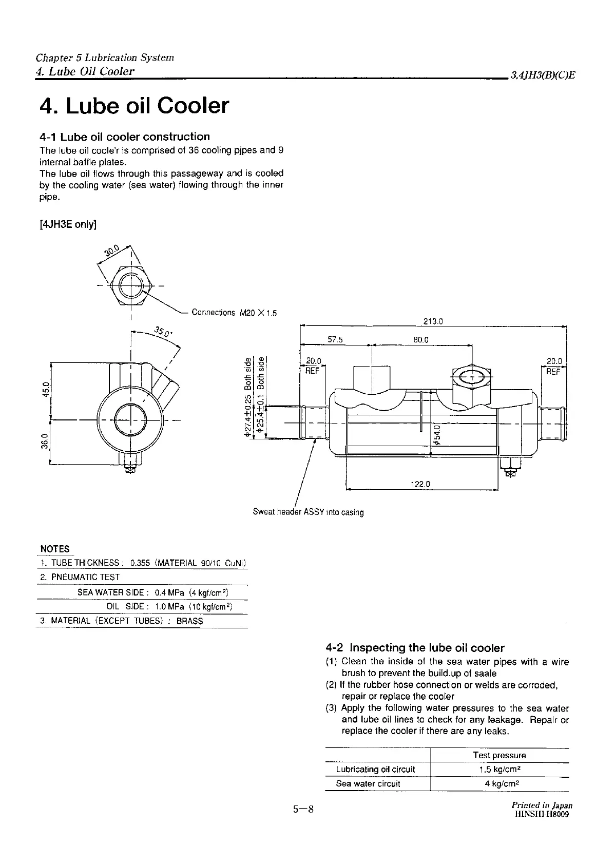
4. Lube
oil
Cooler
4-1 Lube
oil
cooler construction
The lube oil coole'r is comprised of 36 cooling pjpes and 9
internal baffle plates.
The
lube oil flows through this passageway and is cooled
by
the cooling water (sea water) flowing through the inner
pipe.
[4JH3E
only]
I
~
~-------~-'-1-..c,-.. /
CJ
ui
"<I"
CJ
co
<')
Connections
M20
X
1.5
213.0
57.5
80.0
122.0
20.0
REF
Sweat
header
ASSY
in1o
casing
NOTES
1.
TUBE
THICKNESS:
0.355
(MATERIAL
90/10
CuNi)
2.
PNEUMATIC
TEST
SEA
WATER
SIDE:
0.4
MPa
(4
kgf/cm
2
)
OIL
SIDE
:
1.0
MP
a (
10
kgf/cm
2
)
3.
MATERIAL
(EXCEPT
TUBES)
:
BRASS
5-8
4-2
Inspecting the lube
oil
cooler
(1} Clean the inside of the sea
water
pipes with a wire
brush to prevent the build.up of saale
(2)
If
the rubber hose connection or welds are corroded,
repair or replace the cooler
(3)
Apply the following water pressures to the sea water
and lube oil lines
to
check for any leakage. Repair or
replace the cooler if there are any leaks.
Lubricating
oil
circuit
Sea
waler circuit
Test pressure
1.5
kg/cm
2
4 kg/cm
2
Printed in Japan
HlNSHl-H8009

Table of Contents

Other manuals for Yanmar 3JH3E

Related product manuals