EasyManua.ls Logo

Yanmar 3JH3E - 2-2 Specifications of lube oil pump

Yanmar 3JH3E
284 pages
Print Icon
To Next Page IconTo Next Page
To Next Page IconTo Next Page
To Previous Page IconTo Previous Page
To Previous Page IconTo Previous Page
Loading...
Chapter 5 Lubrication
System
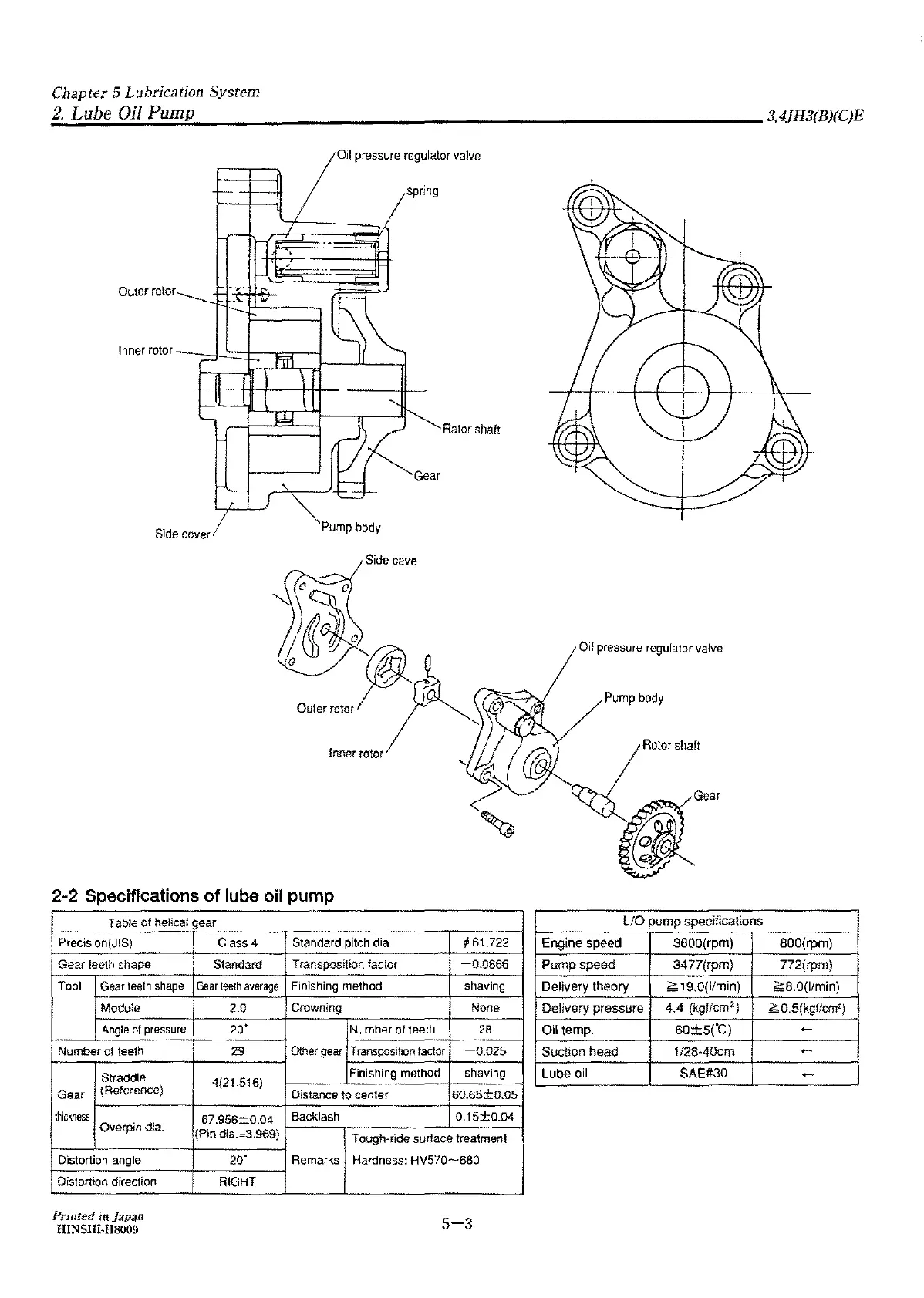
;;,2·:..;L::.u;;.;b;;.;;e;...0,;;;.;1;.;.·1.;;;.P..;;;u;;;;m;;,:,;p
________________________
3,41H3(B)(C)E
Oil
pressure
regulator
valve
Outer
ro!or
Rator
shaft
Side
cover
Side
cave
Outer
rotor
Inner
rotor
2~2
Specifications of lube
oil
pump
Table
of
helical
gear
Precision(JIS)
Gear !eeth shape
Tool
Gear
teeth
shape
Module
Angle
of
pressure
Number
of
teeth
Straddle
Gear
(Reference)
thickness
Overpin dia.
Distortion angle
Dislortion direction
Printed
in
Japan
HINSHI-H8009
Class 4
Standard
Gear
teeth
average
2.0
20·
29
4(21.516)
67.956±0.04
(Pin
dia.:3.969)
20·
RIGHT
Standard pitch dia.
161.722
Transposition faclor
-0.0866
Finishing method shaving
Crowning
None
Number of teeth
28
Other gear
Transposition factor
-0.025
Finishing method
shaving
Distance
to
center
60.65±0.05
Backlash
0.15±0.04
Tough-ride surface trea1ment
Remarks Hardness:
HV570~680
5-3
Oil pressure regulator valve
Rotor
shaft
L/0
pump specifications
Engine speed
3600(rpm)
800{rpm)
Pump speed 3477(rpm)
772{rpm}
Delivery theory G 19.0(l/min) G8.0(l/min)
Delivery pressure
4.4 (kgf/cm
2
)
~0.5(kgl!cm')
Oil temp.
60±5(°C)
+-
Suction head 1/28·40cm
-
Lube oil
SAE#30
+-

Table of Contents

Other manuals for Yanmar 3JH3E

Related product manuals