EasyManua.ls Logo

Comtech EF Data CRS-300 - Figure B-6. SLM-5650;5650 A Y Control Cable (CA;WR12842-6); Switch-To-Modem, Optional Y Control Cable for SLM-5650;5650 A (HD-15 MHD-15 M, DB-9 F

Comtech EF Data CRS-300
298 pages
Print Icon
To Next Page IconTo Next Page
To Next Page IconTo Next Page
To Previous Page IconTo Previous Page
To Previous Page IconTo Previous Page
Loading...
CRS-300 1:10 Redundancy Switch MN/CRS300.IOM
Appendix B Revision 19
B-8
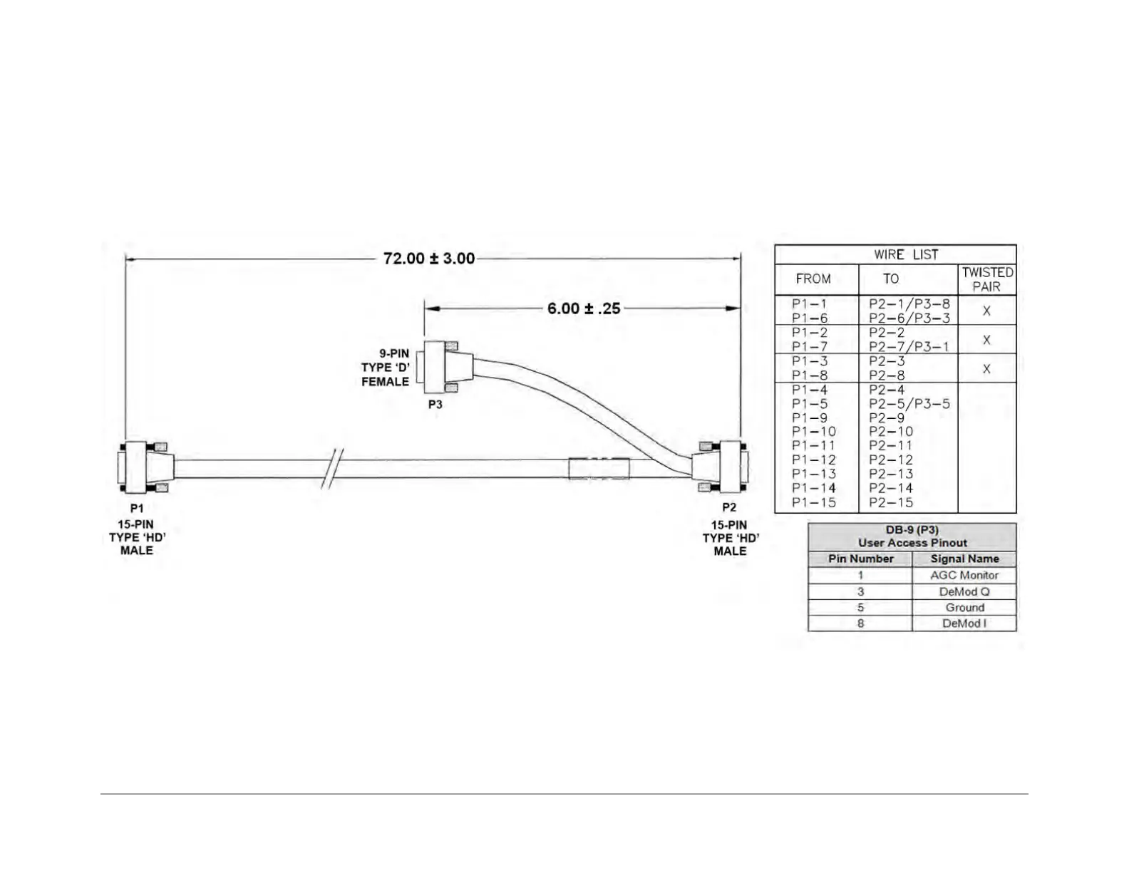
B.3.3 Switch-to-Modem, Optional ‘Y’ Control Cable for SLM-5650/5650A (HD-15MHD-15M,
DB-9F)
You may use this optional ‘Y’ control cable, purchased separately, in place of the CA/WR12136-1 cable (Figure B-5) to allow User access
to the AGC and I&Q outputs of the Modem. It connects the Switch RMI/TMI to the SLM-5650/5650A Modems.
Figure B-6. SLM-5650/5650A ‘Y’ Control Cable (CA/WR12842-6)

Table of Contents