EasyManua.ls Logo

Comtech EF Data CRS-300 - System-Level Block Diagram; Figure 1-1. Typical Redundancy System-Level Block Diagram

Comtech EF Data CRS-300
298 pages
Print Icon
To Next Page IconTo Next Page
To Next Page IconTo Next Page
To Previous Page IconTo Previous Page
To Previous Page IconTo Previous Page
Loading...
CRS-300 1:10 Redundancy Switch MN/CRS300.IOM
Introduction Revision 19
1–4
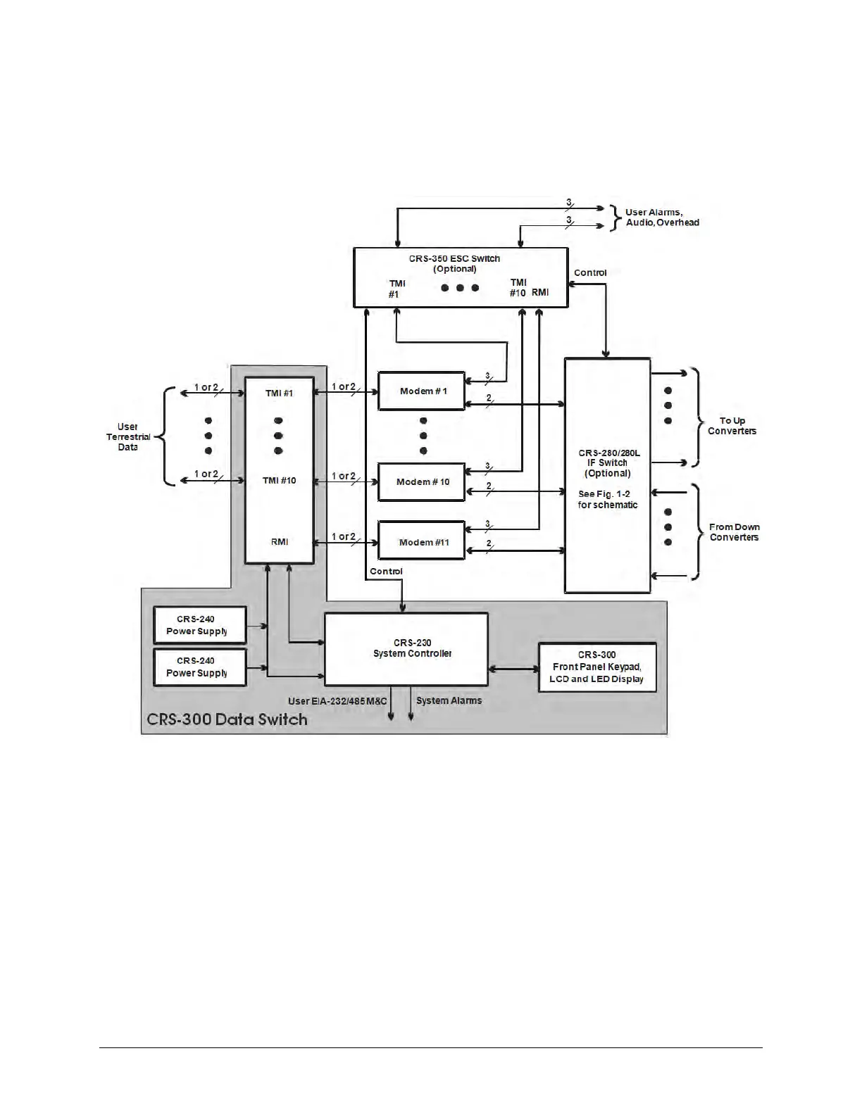
1.1.1 System-Level Block Diagram
Figure 1-1 shows the system-level block diagram of the CRS-300 1:10 Redundancy Switch,
including the optional CRS-280/280L IF and CRS-350 ESC Switches.
Figure 1-1. Typical Redundancy System-Level Block Diagram

Table of Contents