EasyManua.ls Logo

Denso RC7M - Controller System Configuration

Denso RC7M
174 pages
Print Icon
To Next Page IconTo Next Page
To Next Page IconTo Next Page
To Previous Page IconTo Previous Page
To Previous Page IconTo Previous Page
Loading...
10
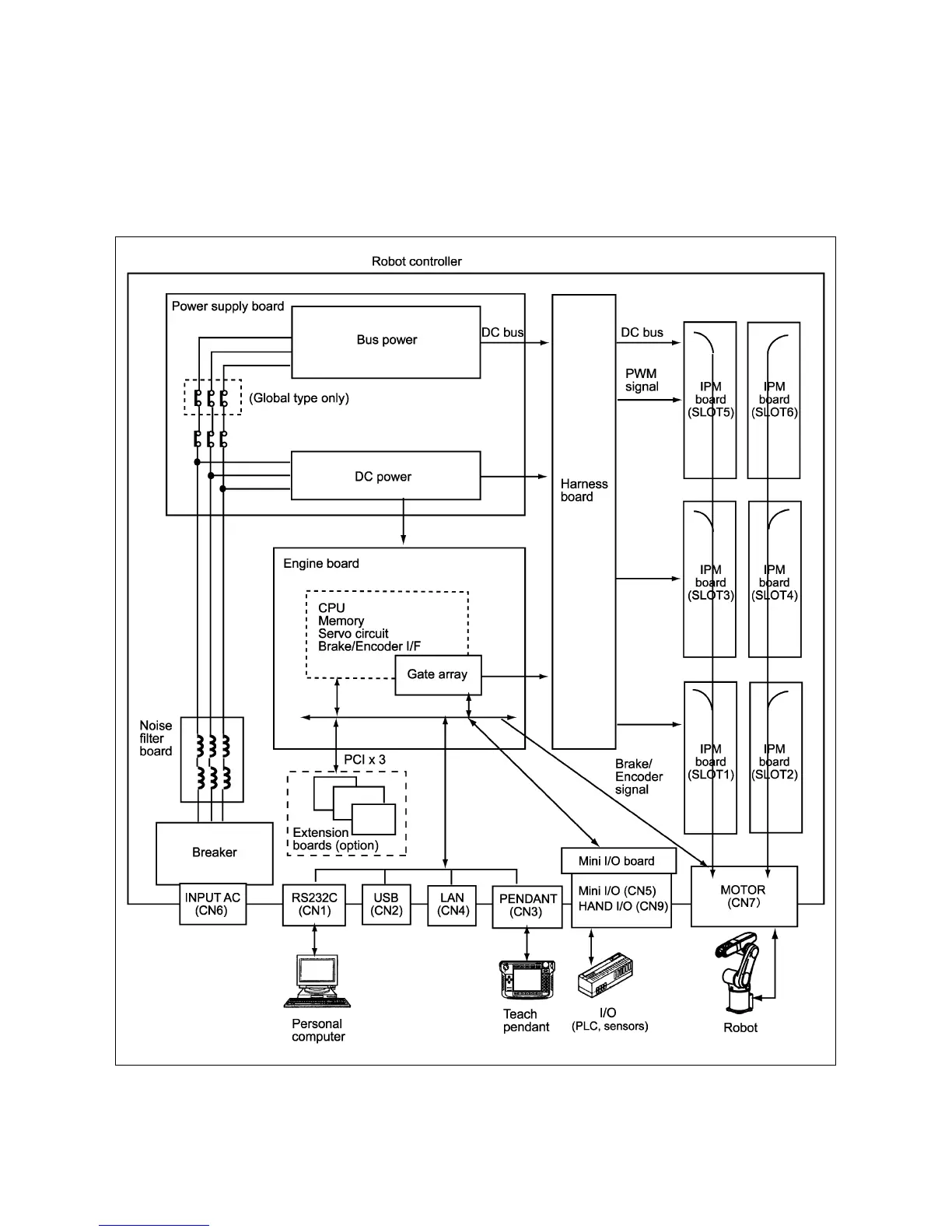
1.4 Controller System Configuration
1.4.1 Internal Circuits of the Controller (Typical configuration)
The block diagram below shows the internal circuits of the RC7M controller designed
for a 6-joint robot.
Block Diagram of the RC7M Controller

Table of Contents

Related product manuals