EasyManua.ls Logo

Denso RC7M - Configuration of Emergency Stop Circuitry (Standard Type of Controller)

Denso RC7M
174 pages
Print Icon
To Next Page IconTo Next Page
To Next Page IconTo Next Page
To Previous Page IconTo Previous Page
To Previous Page IconTo Previous Page
Loading...
76
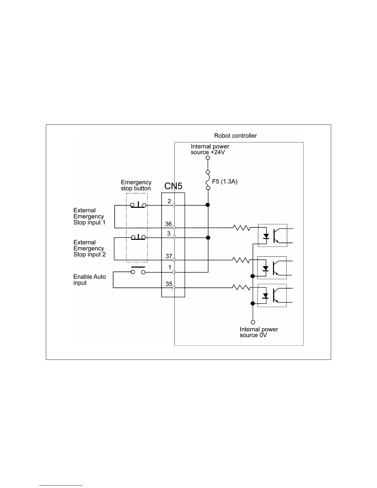
5.2.4 Configuration of Emergency Stop Circuitry
(Standard type of controller)
5.2.4.1 External Emergency Stop and Enable Auto Input Circuits
(Standard type of controller)
The External Emergency Stop and Enable Auto input signals are important for safety.
Be sure to configure their circuits with contacts as shown below.
TIP: For the overall configuration sample of an emergency stop circuitry, refer to
Section 5.2.4.2 "Emergency Stop Circuit."
External Emergency Stop and Enable Auto Input Circuits (Standard type of controller)

Table of Contents

Related product manuals