EasyManua.ls Logo

Denso RC7M - Page 49

Denso RC7M
174 pages
Print Icon
To Next Page IconTo Next Page
To Next Page IconTo Next Page
To Previous Page IconTo Previous Page
To Previous Page IconTo Previous Page
Loading...
29
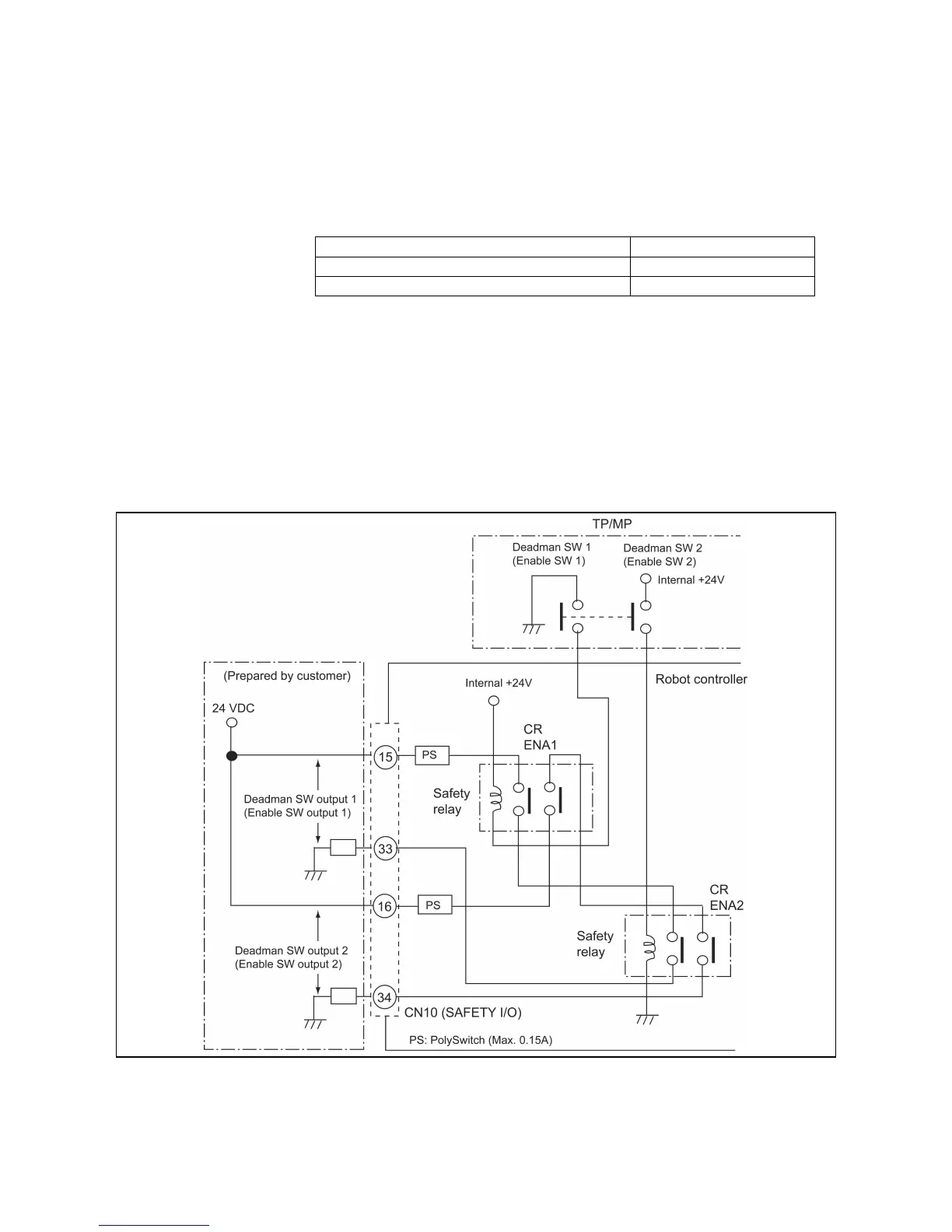
3.2.10.2 Deadman SW [Enable SW] (output) (Global type of controller)
(1) Function
This signal outputs the status of the deadman switch (enable switch) on the
teach pendant or mini-pendant (dual line).
(2) Terminal number
Signal name Terminal number
Deadman SW 1 [Enable SW 1] #15 and #33 on CN10
Deadman SW 2 [Enable SW 2] #16 and #34 on CN10
(3) Usage
This signal is used to display the operation status of the deadman switch or
interlock the deadman switch with other device (e.g., stopping or running the
conveyor).
For details about the safety circuits, refer to Sections 4.2.5 and 5.2.5.
(4) Output conditions
Holding down the deadman switch closes the safety relay contact in the
controller, turning ON the Deadman SW output signal (Contact output:
close).
Deadman SW Output (Enable SW Output) (Global type of controller)

Table of Contents

Related product manuals