EasyManua.ls Logo

Denso RC7M - Page 78

Denso RC7M
174 pages
Print Icon
To Next Page IconTo Next Page
To Next Page IconTo Next Page
To Previous Page IconTo Previous Page
To Previous Page IconTo Previous Page
Loading...
58
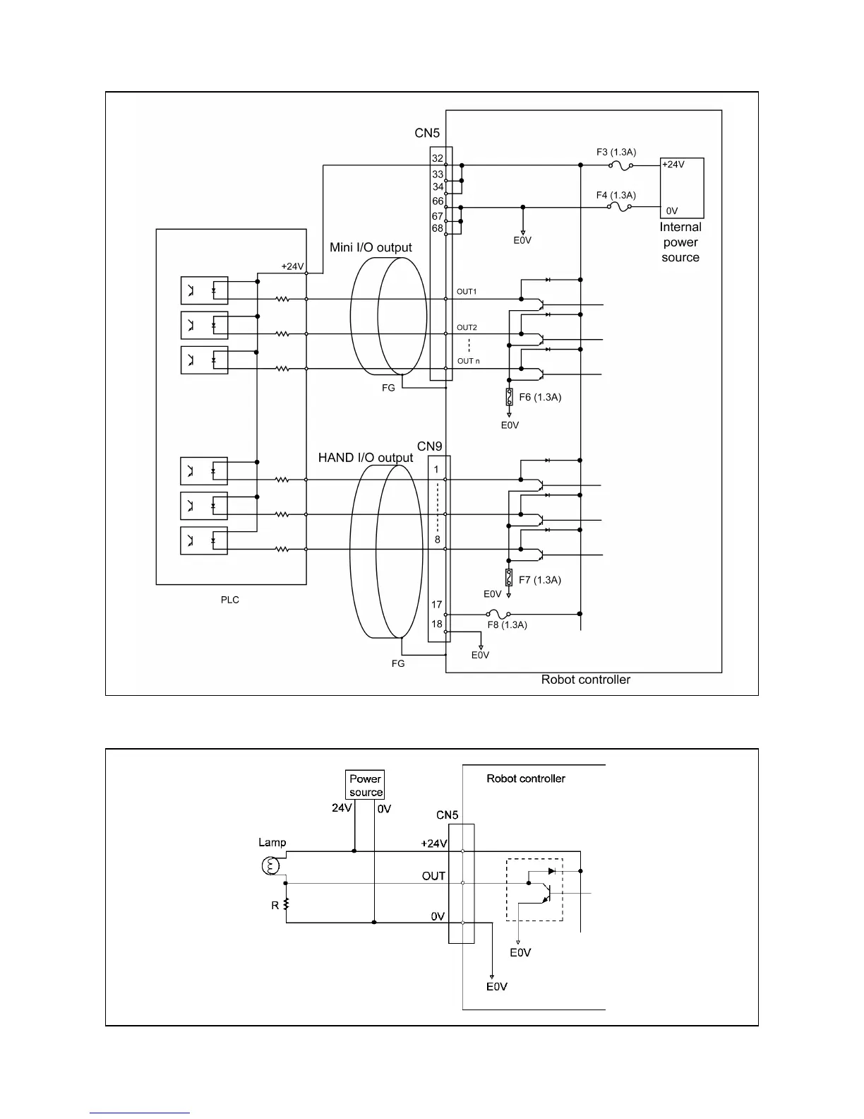
(When the internal power source is used)
User-Output, System-Output and Hand-Output Circuits (NPN type)
Example of Circuit with Lamp (NPN type)

Table of Contents

Related product manuals