EasyManua.ls Logo

Denso RC7M - Page 94

Denso RC7M
174 pages
Print Icon
To Next Page IconTo Next Page
To Next Page IconTo Next Page
To Previous Page IconTo Previous Page
To Previous Page IconTo Previous Page
Loading...
74
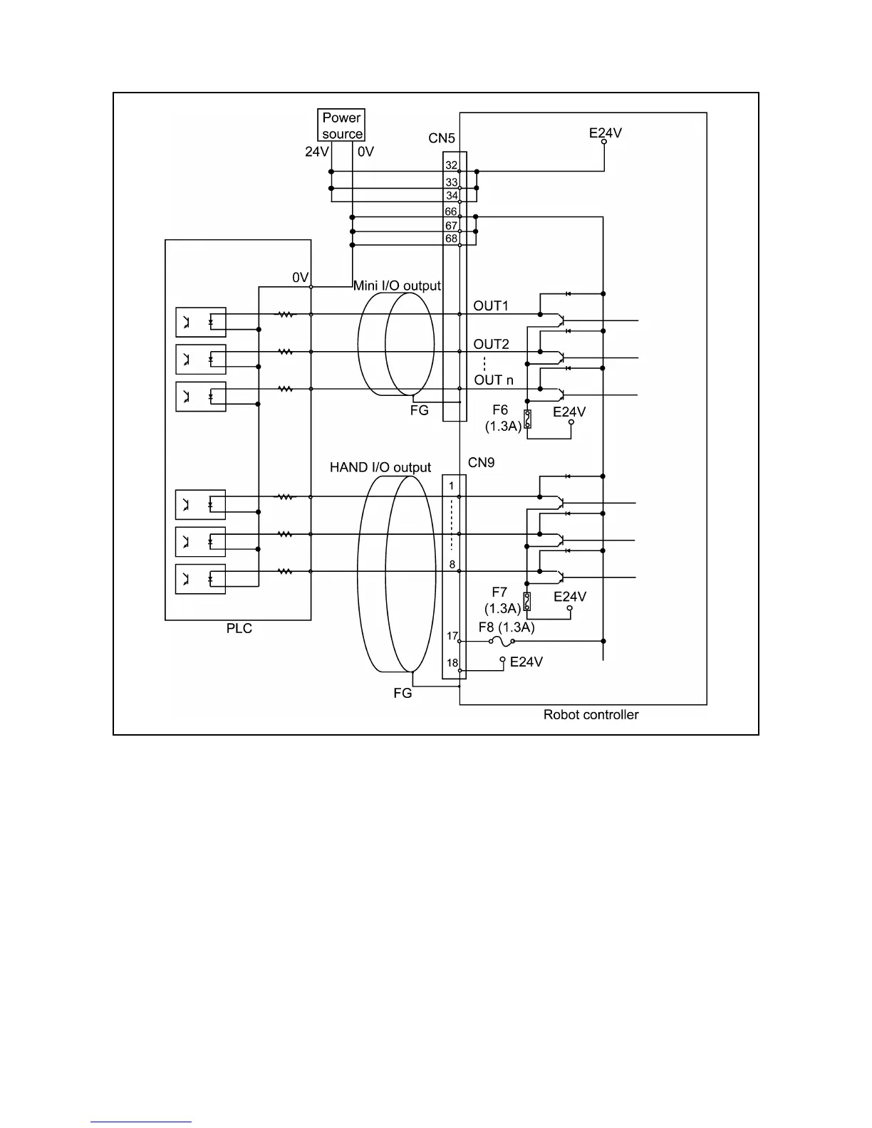
(When the external power source is used)
User-Output, System-Output and Hand-Output Circuits (PNP type)

Table of Contents

Related product manuals