EasyManua.ls Logo

Denso RC7M - Page 99

Denso RC7M
174 pages
Print Icon
To Next Page IconTo Next Page
To Next Page IconTo Next Page
To Previous Page IconTo Previous Page
To Previous Page IconTo Previous Page
Loading...
79
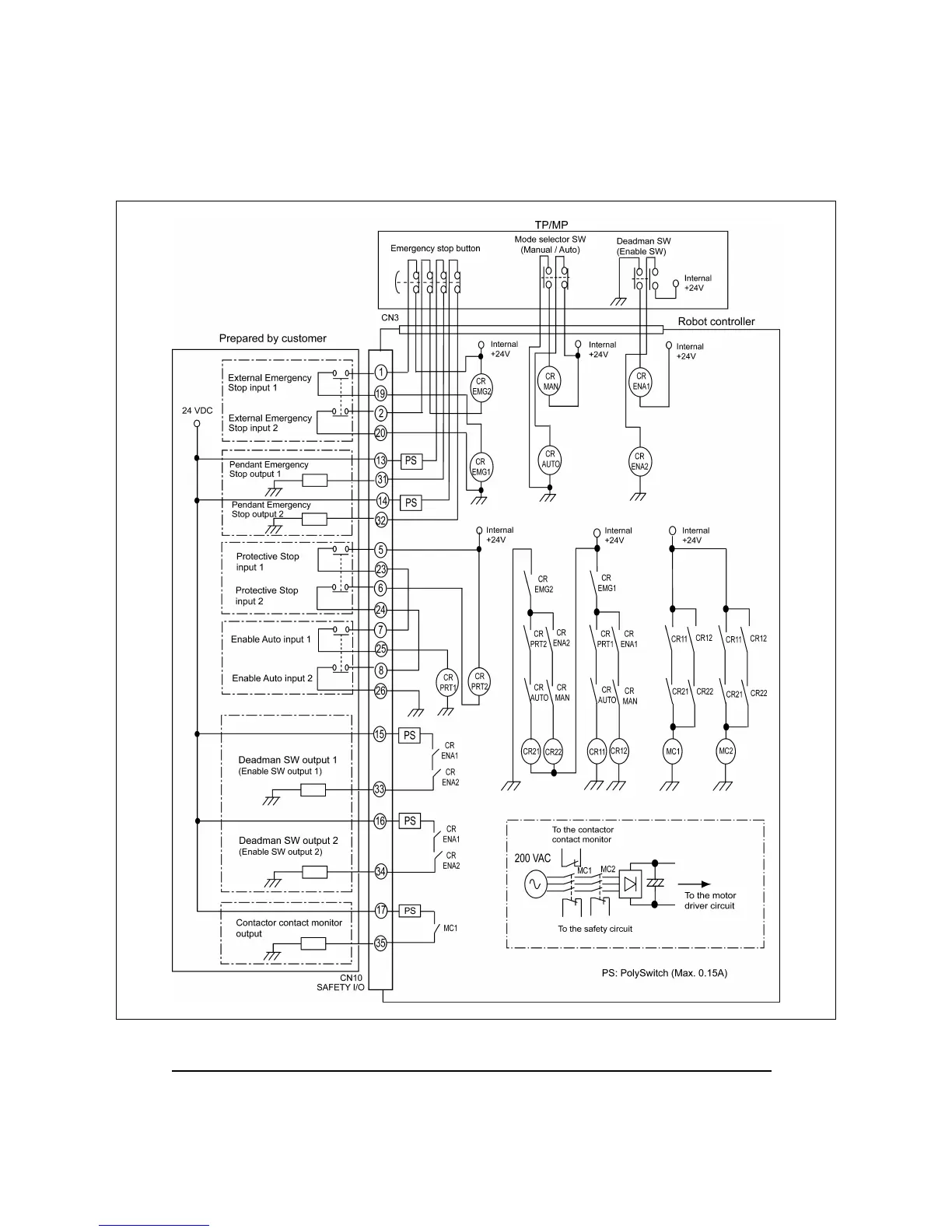
5.2.5.2 Safety Circuit (Global type of controller)
The figure below shows an internal connection equivalent circuit for the safety circuit in
the global type of the controller. The actual safety circuit is configured with safety relays
and others.
Safety Circuit in the RC7M Controller (Global type of controller)
Note: Different stop states resulting from emergency stop input, Protective Stop, and Enable Auto (OFF)
(1) The emergency stop input (External Emergency Stop or teach pendant/mini-pendant input) shuts down
the power to the motor and resets the program, provided that the Continue parameter is set to the default
(0: Disable) in Continue setting.
(2) The Protective Stop or Enable Auto (OFF) input signal shuts down the power to the motor and places the
robot in the Continue Stop state.

Table of Contents

Related product manuals