EasyManua.ls Logo

EST EST3X - Page 154

EST EST3X
298 pages
Print Icon
To Next Page IconTo Next Page
To Next Page IconTo Next Page
To Previous Page IconTo Previous Page
To Previous Page IconTo Previous Page
Loading...
Chapter 5: Installation
144 EST3X Technical Reference Manual
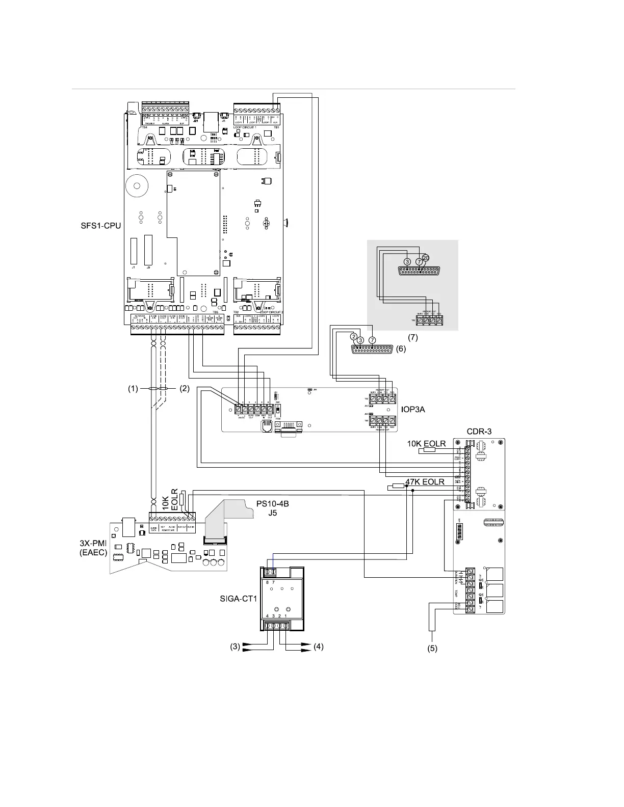
Figure 40: Combined CDR-3 and IOP3A wiring for a PT-1S printer application
(1) Network option card installed
(
2) Network option card not installed
(
3) From Signature controller or previous device
(
4) To next device
(
5) For CDR-3 control of notification appliance
circuits
(6) DB-25 male connector to unsupervised
PT-1S printer (front view)
(7) DB-25 male connector to supervised
PT-1S printer (front view)

Table of Contents

Other manuals for EST EST3X

Related product manuals