EasyManua.ls Logo

Festo CPX - Status LED of the Respective Output

Festo CPX
234 pages
Print Icon
To Next Page IconTo Next Page
To Next Page IconTo Next Page
To Previous Page IconTo Previous Page
To Previous Page IconTo Previous Page
Loading...
C. General information on parametrisation
C−9
Festo P.BE−CPX−SYS−EN en 0902e
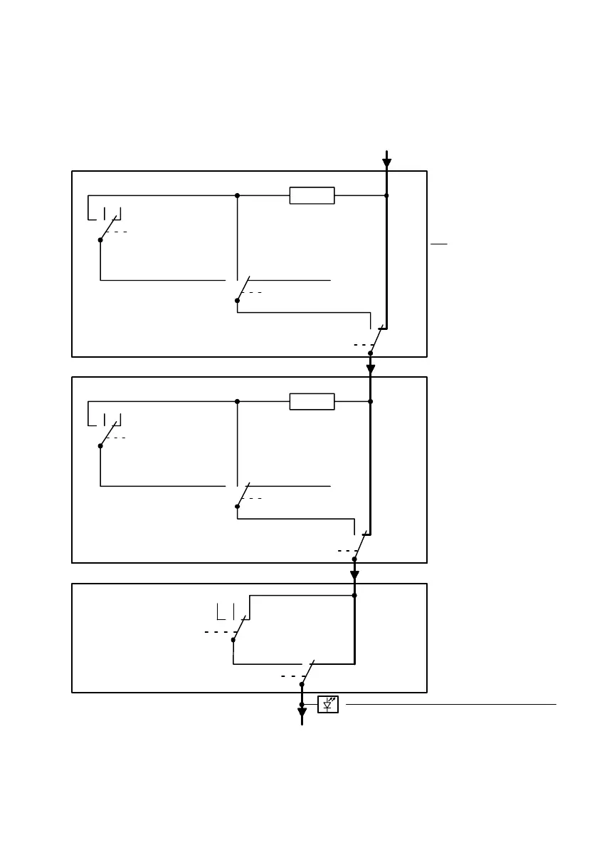
Force
Failsafe
Idlemode
IdlemodechannelX
Resetoutputs
0
1
0
Idlemode
Assumeidlemode
Holdlaststate
Memorycard
FailsafechannelX
Resetoutputs
0
1
0
Failsafe
Assumefaultmode
Holdlaststate
0
1
ForcechannelX
Forcemode
enable disable
1
disable
Idle mode is only
relevant for
certain fieldbus
protocols
Output signal (e.g. over fieldbus)
Memory card
System parameters
Module parameters
Module parameters
Module parameters
System parameters
System parameters
Output
Yes
No
Yes
No
Fieldbus communication fault
Idle mode status
1 Status LED of the respective output
Fig.C/4: Influencing output signals

Table of Contents

Other manuals for Festo CPX

Related product manuals