EasyManua.ls Logo

Festo CPX - Function Overview of CPX Terminal (here with MPA Pneumatics); Mode of Operation of the CPX Terminal

Festo CPX
234 pages
Print Icon
To Next Page IconTo Next Page
To Next Page IconTo Next Page
To Previous Page IconTo Previous Page
To Previous Page IconTo Previous Page
Loading...
1. Overview of components
1−7
Festo P.BE−CPX−SYS−EN en 0902e
The pneumatic side can be fitted with pneumatics of type
MPA, VTSA, Midi/Maxi or CPA (see Tab.1/3). Different sizes
of valves are possible here. Pneumatic modules are not abso
lutely necessary. CPX terminals can consist exclusively of
electric modules. If pneumatic modules are to be used, the
pneumatic interface appropriate to the pneumatics
in ques
tion is required (see Tab.1/2).
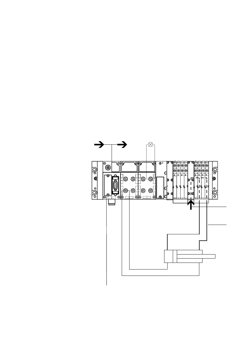
1.1.1 Mode of operation of the CPX terminal
1
Fieldbus
incoming
2 Fieldbus
continuing
3 Compressed air
supply
4 Supply air (2/4)
5 CPX bus node
12
3
4
5
Fig.1/2: Function over view of CPX terminal (here with MPA pneumatics)

Table of Contents

Other manuals for Festo CPX

Related product manuals