EasyManua.ls Logo

Garmin G3X - Page 246

Garmin G3X
1011 pages
Print Icon
To Next Page IconTo Next Page
To Next Page IconTo Next Page
To Previous Page IconTo Previous Page
To Previous Page IconTo Previous Page
Loading...
190-01115-01 G3X™/G3X Touch™ Avionics Installation Manual
Rev. AV Page 20-12
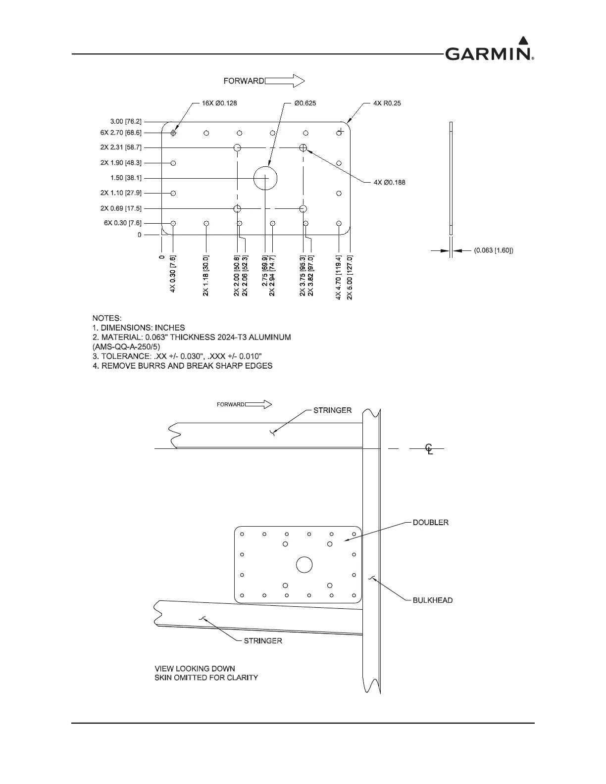
Figure 20-6 Doubler Design, Teardrop Footprint Antenna, Skin Thickness 0.051" to 0.063"
Figure 20-7 Sample Doubler Location, Teardrop Footprint Antenna, Metal Skin Aircraft

Table of Contents

Other manuals for Garmin G3X

Related product manuals