EasyManua.ls Logo

Garmin G3X - Page 271

Garmin G3X
1011 pages
Print Icon
To Next Page IconTo Next Page
To Next Page IconTo Next Page
To Previous Page IconTo Previous Page
To Previous Page IconTo Previous Page
Loading...
190-01115-01 G3X™/G3X Touch™ Avionics Installation Manual
Rev. AV Page 20-37
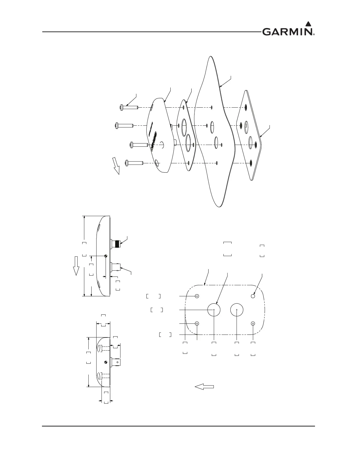
Figure 20-38 GA 57X Installation Drawing
.25 6.4
2.35 59.7
2X 0
2X 1.600 40.64
2X 0
1.000 25.40
2.350 59.69
2X 3.300 83.82
.70 17.8
.65 16.5
2X .800 20.3
.49 12.3
XM
GPS BNC CONNECTOR
TNC CONNECTOR
FORWARD
4.70 119.4
MOUNTING CUTOUT
FORWARD
011-01032-00
ANTENNA OUTLINE
.220 5.594X
2X
.750
.625
19.05
15.88
TORQUE 20 TO 25 in-lbs
253-00138-00
1. DIMENSIONS: INCHES[mm]
FORWARD
4X 211-60212-20
#10-32 PHP x 1.00[25.4]
MOLDED GASKET
NOTES:
AIRCRAFT SKIN
011-01032-10
GA 57X GPS/XM ANTENNA
FABRICATE AND INSTALL DOUBLER PLATE
AS REQUIRED TO COMPLY WITH APPLICABLE
AIRWORTHINESS REGULATIONS
.80 20.2
73.72.90
.60 15.2

Table of Contents

Other manuals for Garmin G3X

Related product manuals