EasyManua.ls Logo

Garmin G3X - Page 412

Garmin G3X
1011 pages
Print Icon
To Next Page IconTo Next Page
To Next Page IconTo Next Page
To Previous Page IconTo Previous Page
To Previous Page IconTo Previous Page
Loading...
190-01115-01 G3X™/G3X Touch™ Avionics Installation Manual
Rev. AV Page 24-12
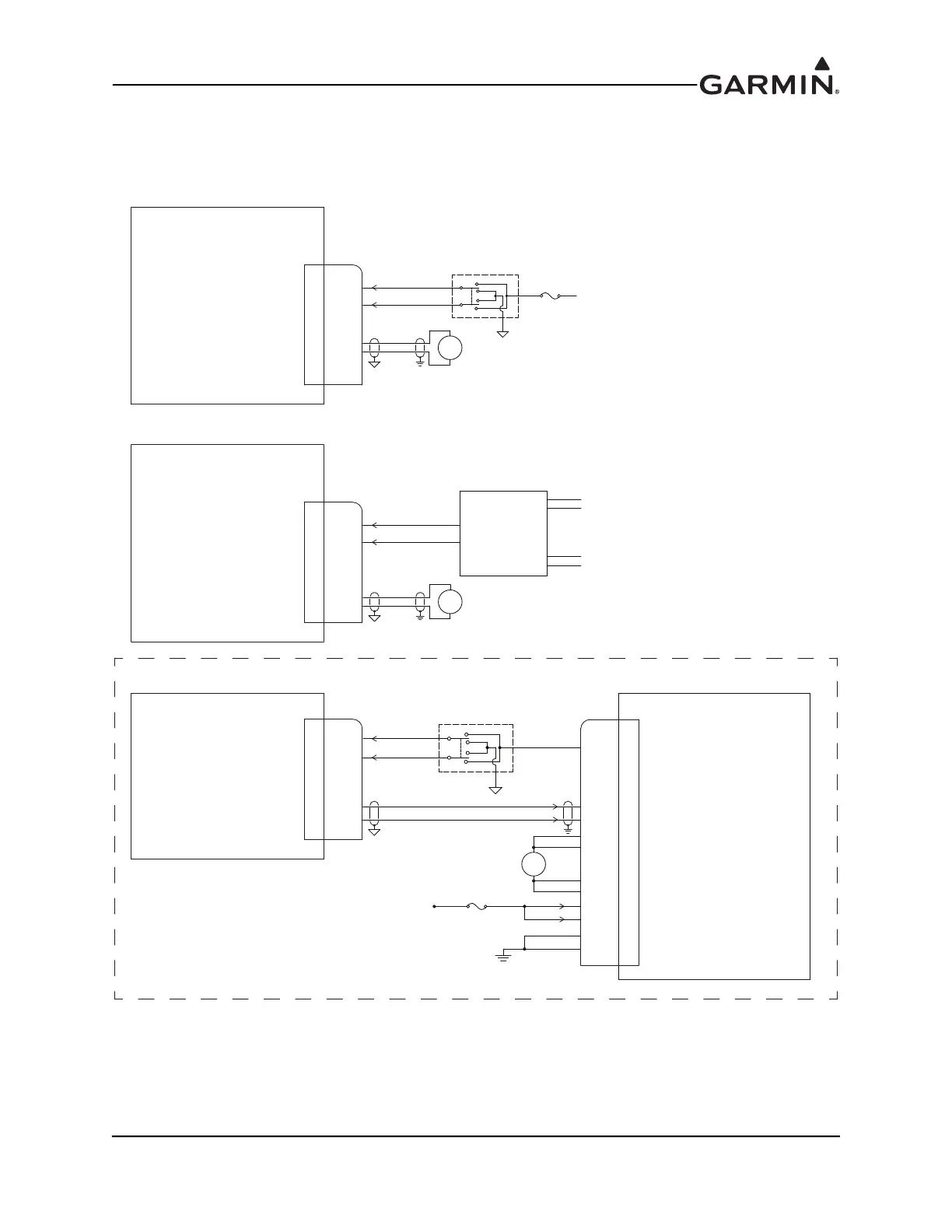
Figure 24-1.10 GSA 28 - Trim Switch Interconnect Drawing
SINGLE TRIM SWITCH
(DISABLE SPEED
CONTROL IF EQUIPPED)
11TRIM IN 1
12TRIM IN 2
12 VDC
YRATNEMOM TDPD
A2 ,FFO RETNEC
P281J281
GSA 28 SERVO
DUAL TRIM SWITCHES
11TRIM IN 1
12TRIM IN 2
P281J281
GSA 28 SERVO
3RD PARTY TRIM
MIXING DEVICE
TO TRIM
SWITCH #1
TO TRIM
SWITCH #2
USE SWITCHES AS REQUIRED BY 3RD PARTY
TRIM MIXING DEVICE INSTALLATION INSTRUCTIONS
11
TRIM IN 1
12
TRIM IN 2
13TRIM OUT 1
14TRIM OUT 2
P281J281
GSA 28 SERVO
M
S
13
TRIM OUT 1
14TRIM OUT 2
TRIM
MOTOR
M
S
13
TRIM OUT 1
14TRIM OUT 2
TRIM
MOTOR
M
S
S
SHIELDING ON THESE LINES PREFERRED, NOT REQUIRED
TRIM
MOTOR
AIRCRAFT POWER
1 AIRCRAFT POWER
9 AIRCRAFT POWER
7 AIRCRAFT GROUND
15 AIRCRAFT GROUND
2 SWITCHED POWER OUT
6 TRIM IN
5 TRIM IN
3 TRIM OUT 1
3 TRIM OUT 1
4 TRIM OUT 2
12 TRIM OUT 2
TCW ST-1-XXV-10A-BSTR
REFER TO TCW DOCUMENTATION
FOR WIRING GUIDANCE

Table of Contents

Other manuals for Garmin G3X

Related product manuals