EasyManua.ls Logo

GE Voluson E6 - Page 210

GE Voluson E6
432 pages
Print Icon
To Next Page IconTo Next Page
To Next Page IconTo Next Page
To Previous Page IconTo Previous Page
To Previous Page IconTo Previous Page
Loading...
GE HEALTHCARERAFT VOLUSON E8 / VOLUSON E6
D
IRECTION KTD102576, REVISION 7 DRAFT (AUGUST 23, 2012) SERVICE MANUAL
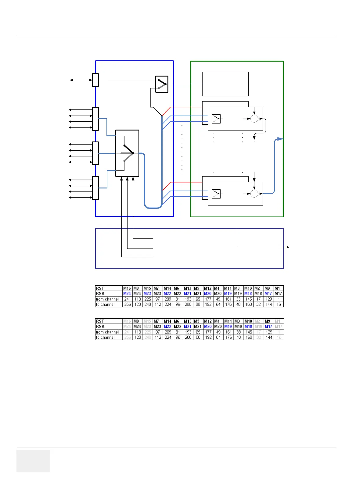
5-26 Section 5-3 - FrontEnd Processor
5-3-1 RTF- Probe Connector Board (cont’d)
Figure 5-7 Voluson E6: RTF + Beamformer (RTM)
RST Transmitter Subboard
RSR Receiver Subboard
+
RST Transmitter Subboard
RSR Receiver Subboard
+
RTF Probe Controlboard
Power
MOT - signals
CTRL - signals
Tx/Rx
Power
MOT - signals
CTRL - signals
Tx/Rx
Power
MOT - signals
CTRL - signals
Tx/Rx
256 Tx/Rx Channels (Rx Channels multiplexed)
SIN-COS, Mot-Strobes
CTRL-signals
PowerSupply
RTK Motherboard
EBF_D (18)
Probe 3 Probe 1Probe 2
RTM Beamformer Motherboard
RSW CW-Doppler Board
Rx /Tx
CW Probe
CH 129
CH 1
CH 1
CH 128
CH 256
CH 256
Voluson E6 - BT09
8 x RSR-Boards (16 channels) = 128 channels
16 x RST-Boards (16 channels) = 256 channels
32 Tx/Rx
Channels
CH 98 ... CH 128
1 channel
Voluson E6 - BT09
Voluson E6 - BT10
Voluson E6 - BT10
8 x RSR-Boards (16 channels) = 128 channels
12 x RST-Boards (16 channels) = 192 channels

Table of Contents

Other manuals for GE Voluson E6

Related product manuals