EasyManua.ls Logo

gefran TPD32-EV-...-4B - Figure 9.2.8: ESE5856 TPD32-EV-500_600-1200...3300-2 B

gefran TPD32-EV-...-4B
504 pages
To Next Page IconTo Next Page
To Next Page IconTo Next Page
To Previous Page IconTo Previous Page
To Previous Page IconTo Previous Page
Loading...
—————— TPD32-EV ——————
410
Figure 9.2.8: ESE5856 TPD32-EV-500_600-1200 ...3300-2B
PAGE
OVER
MOD.
INDEX
DOC
ID
DATE
.HCS.SED
APPR.
NAME
MOD. DATE
MODIFICATION DESCRIPTION
APPR.
4321
5
76
A
B
C
D
E
AB
CDE
1
2
3
4
5
6
7
This document is our intellectual property. Without our written consent, it shall neither be copied
in any manner, nor used for manufacturing, nor communicated to third parties.
FILE NAME:
CODE
U V W
DC
PE
ESE5856 TPD32-EV-500_600-1200 ...3300-2B Block Diagram.vsd
EC
Dec 22, 2011
1 1
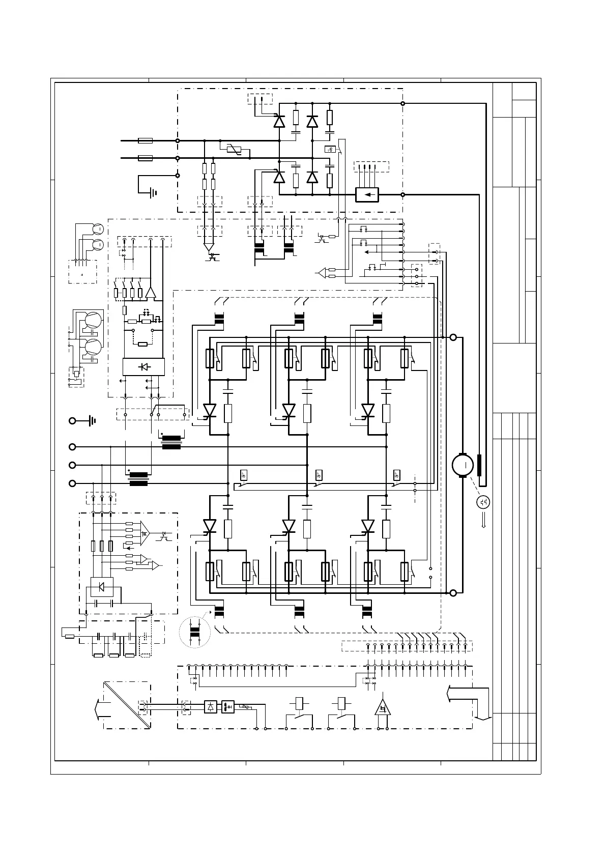
Block diagram of
“TPD32- EV-500/620-1200 ...3300-2B” Drives.
(Control Unit with external 2Q SCR Power Bridge).
F11
F21
F31
XUVW
V UW
KW/8
W / 7
U / 6
KU/5
CT
T1
F
T2
F
D1
F
D2
F
R
T1F
R
D1F
R
T2F
R
D2F
C
T1F
C
D1F
C
D2F
C
T2F
G1
F
G2
F
K1
F
K2
F
U1 V1
1C1D
1
2
1
2
3
4
XFCD
+15V
-15V
0V
M
X3
1U1
1V1
PFC40 (up to 2000A arm.)
PFC70 (above 2000A arm.)
ESE 2374
G1
K1
XP1
K2
G2
XP2 to FIR4P-53
to R-TPD32
Motor
PTC
1
4
XUV
U2
V2
+
-
Control Supply
115/230V
AC
1
4
XUV
+24V
±15V +5V
SMPS
SW1-31
ESE 2192
ESE 5856
C1
C2
C3
C4
R1R2R3R4
C1+
C1+
C2+
C2+
C3+
C3+
C4+
C4+
C4-
CFS-35X
ESE 5301
FIR4P-53
ESE 2334
531
KP
CT-U
CT-W
567
567 13TPK8
TH-CT
FIR4P-53
ESE 2334
G1
K1
XP1
1
2
X3
K2
G2
XP2
M P
I T 4
M P
M P
I T 5
I T 6
M P
I T 1
M P
I T 2
M P
I T 3
321
KPT31
1
2
XCD-1
XCD-3
“Contactor”“Ready”
K7
35
36
K8
75
76
78
79
Motor
overtemperature
1
2
3
4
5
6
7
8
12
13
I T 1
I T 2
I T 3
I T 4
I T 5
I T 6
M N
M N
M P
M P
KPT11
1
3
5
7
9
11
13
15
8
10
XPT1
FIR4P-53
ESE 2334
X4-1
X4-2
PE
+
Armature
voltage
Line voltage and
synchronisation
C
I
A
= 0
XF-1
XF-5
R6
C4-
R6+
XF-5
Sync
M
M
4321XV
SW1-31
ESE 2192
C.U. Cooling fans
230V
AC
to 480V
AC
50/60Hz
230V
AC
to 500V
AC
50/60Hz
M
TH-CT 1
TH-CT 2
TH-CT 3
C
D
KP
XCD-IO7
XCD-IO3
XCD-IO5
XCD-IO1
C
OT
From / to Control
Board R-TPD32
Low voltage
signals only
FU1
FV1
External
burden R
XCT
0VI
RCT
J5
J4
Armature current
feedback
2R52R5
SW3,
SW4
N8
S11
S10
14
13
XR
to R-TPD32
2
4
6
9
10
11
1 U
1 W
1 V
XPT1-4
XPT1-6
XPT1-2
12
14
14
15
6 1
6 2
J2
J1
1
3
5
7
9
11
13
15
8
10
XPT2
2
4
6
12
14
J3
----
S2
Remark: F ...F only for “TPD32-EV- ...2700 to ...3300-2B”
G
K
P
T
PTD1
M
~
31
32
M
~
PE
V3
U3
Fan
fault
Power Bridge
Cooling fans
Fan supply
230V
AC
50/60Hz
6
7
S1=OFF
G 2
K 1
K 5
G 5
G 4
K 4
K 6
G 3
K 3
TH1
K 2
TH2
TH3
Heatsink
overtemperature
F1
F1°
T1
R
T1
C
T1
F2
F2°
T2
R
T2
C
T2
F3
F3°
T3
R
T3
C
T3
T4
T5
T6
F4
F4°
F5
F5°
F6
F6°
R
T4
R
T6
R
T5
C
T4
C
T5
C
T6
G 6
G 1
62
61
Fuse fault
81
82
Speed feedback

Table of Contents

Related product manuals