EasyManua.ls Logo

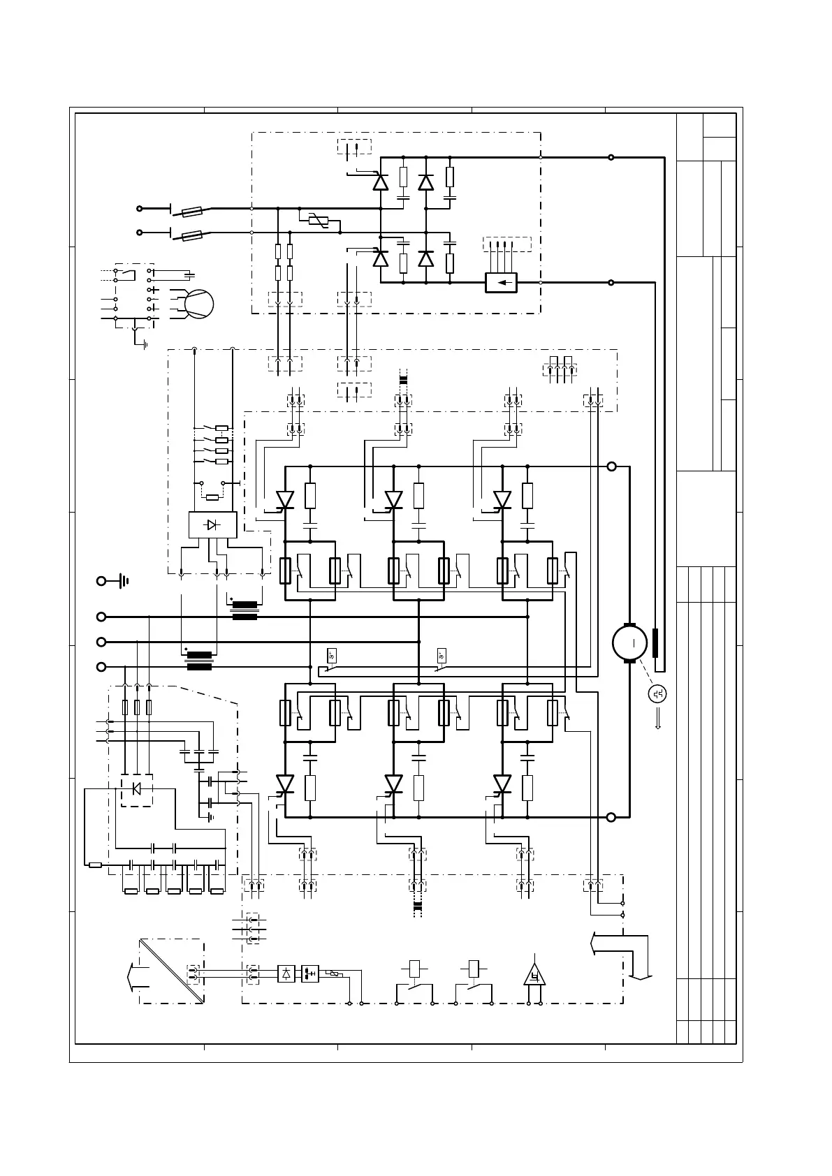
gefran TPD32-EV-...-4B - Figure 9.2.10: ESE5770 TPD32-EV-500...690...-1300...2400-2 B

gefran TPD32-EV-...-4B
504 pages
Print Icon
To Next Page IconTo Next Page
To Next Page IconTo Next Page
To Previous Page IconTo Previous Page
To Previous Page IconTo Previous Page
Loading...
—————— TPD32-EV ——————
412
Figure 9.2.10: ESE5770 TPD32-EV-500 ...690 ...-1300 ...2400-2B
PAGE
OVER
MOD.
INDEX
DOC
ID
DATE
.HCS.SED
APPR.
NAME
MOD. DATE
MODIFICATION DESCRIPTION
APPR.
4321
5
76
A
B
C
D
E
AB
CDE
1
2
3
4
5
6
7
This document is our intellectual property. Without our written consent, it shall neither be copied
in any manner, nor used for manufacturing, nor communicated to third parties.
FILE NAME:
CODE
G 2
G 1
K 1
G 5
K 5
G 4
K 4
G 6
K 6
G 3
K 3
U
V
W
DC
T1
T2
T3
T4
T5
T6
F1
F1°
F2
F2°
F3
F3°
F4
F4°
F5
F5°
F6
F6°
R
T1
R
T3
R
T2
R
T4
R
T5
R
T6
C
T1
C
T2
C
T3
C
T4
C
T5
C
T6
k2
l2
K2
L2
k1
l1
K1
L1
PE
ESE5770 TPD32-EV-500 ...690-1300 ...2400-2B_4B Block Diagram.vsd
EC
Jan 17, 2012
2 2
----
“TPD32-EV-500/600-1400...2400-2B-D”,
“TPD32-EV-575/680-1300...2300-2B-D”,
“TPD32-EV-690/810-1300...2100-2B-D” DC drives.
TA1
TA2
TH1
CFSF-XXX
ESE 5320
C1
C2
C3
C4
C5
C6
C7
R1R2R3R4R5
R6
to FIR-
D-XX
from C
F11
F21
F31
XUVW 3 15
X1UVW1 135
XCD 1 3 7 5
from D
C6+C1+
C1+
C2+
C2+
C3+
C3+
C4+
C4+
C4-
C4-
C5-
W
W ( K )
U
U ( K )
XTA 1234 XTA
K 2
CT
K 1
F
G 1
F
G 2
F
T1
F
T2
F
D1
F
D2
F
R
T1F
R
D1F
R
T2F
R
D2F
C
T1F
C
D1F
C
D2F
C
T2F
U1 V1
1C1D
1
2
1
2
3
4
XFCD
+15V
-15V
0V
M
X3
1U1
1V1
PFC40, PFC70
ESE 2374
G1
K1
XP1
K2
G2
XP2
to FIR-D-XX
to R-TPD32
KG1
KG2
KG3
KG4
KG5
KG6
FIR-D-XX-2B
ESE 5313
FIR-D-XX-2B
ESE 5313
1
3
XCD
Fan supply
230V
AC
50/60Hz
1
5
3
7
XCD_IO
78
79
Motor
overtemperature
Motor
PTC
“Contactor”“Ready”
RL1
35
36
RL2
75
76
X1UVW1
135
U
V
W
from
CFSF-XX
1
4
XUV
U2
V2
+
-
Control Supply
115/230V
AC
1
4
XUV
+24V
±15V +5V
SMPS
SW1-31
ESE 2192
Heatsink
overtemp.
X4
1
2
XSPF
1
3
81
82
Fuse
fault
1
2
X3
G1
K1
XP1
ESE 5770
K2
G2
XP2
XT4
XT5
XT6
XT1
XT2
XT3
Remark: Fuses F1° to F6°
not on all drive sizes.
From / to Control
Board R-TPD32
Low voltage
signals only
M
500V
AC
to 690V
AC
50/60Hz
TH2
F
U1
F
V
1
M
~
ye-gn
black
blue /
grey
brown
U3C
Z2C
Z2F
V3F
U3F
PE
C
S
31
32
PE
U3
V3
FNLS
ESE 5341
Fan
fault
Cooling fan
SW3, SW4
XCT
2
1
Ext R
XR-13
XR-14
to R-
TPD32
460V
AC
max
Speed feedback
K 2
F

Table of Contents

Related product manuals