EasyManua.ls Logo

Haas VF Series - Page 562

Haas VF Series
564 pages
To Next Page IconTo Next Page
To Next Page IconTo Next Page
To Previous Page IconTo Previous Page
To Previous Page IconTo Previous Page
Loading...
562
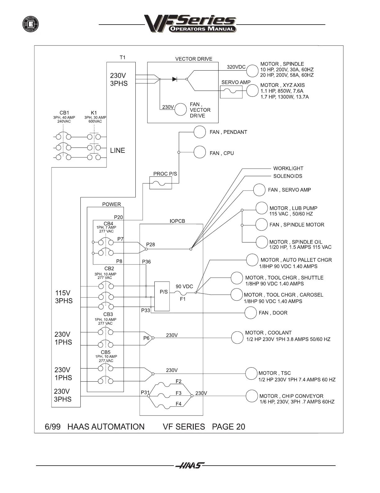
ELECTRICAL DIAGRAMS June 1999
96-8000

Table of Contents

Other manuals for Haas VF Series

Related product manuals