EasyManua.ls Logo

Hioki RM3545 - Page 103

Hioki RM3545
364 pages
Print Icon
To Next Page IconTo Next Page
To Next Page IconTo Next Page
To Previous Page IconTo Previous Page
To Previous Page IconTo Previous Page
Loading...
4.12 Maintaining Measurement Precision (Self-Calibration)
95
4
Manual setting operation
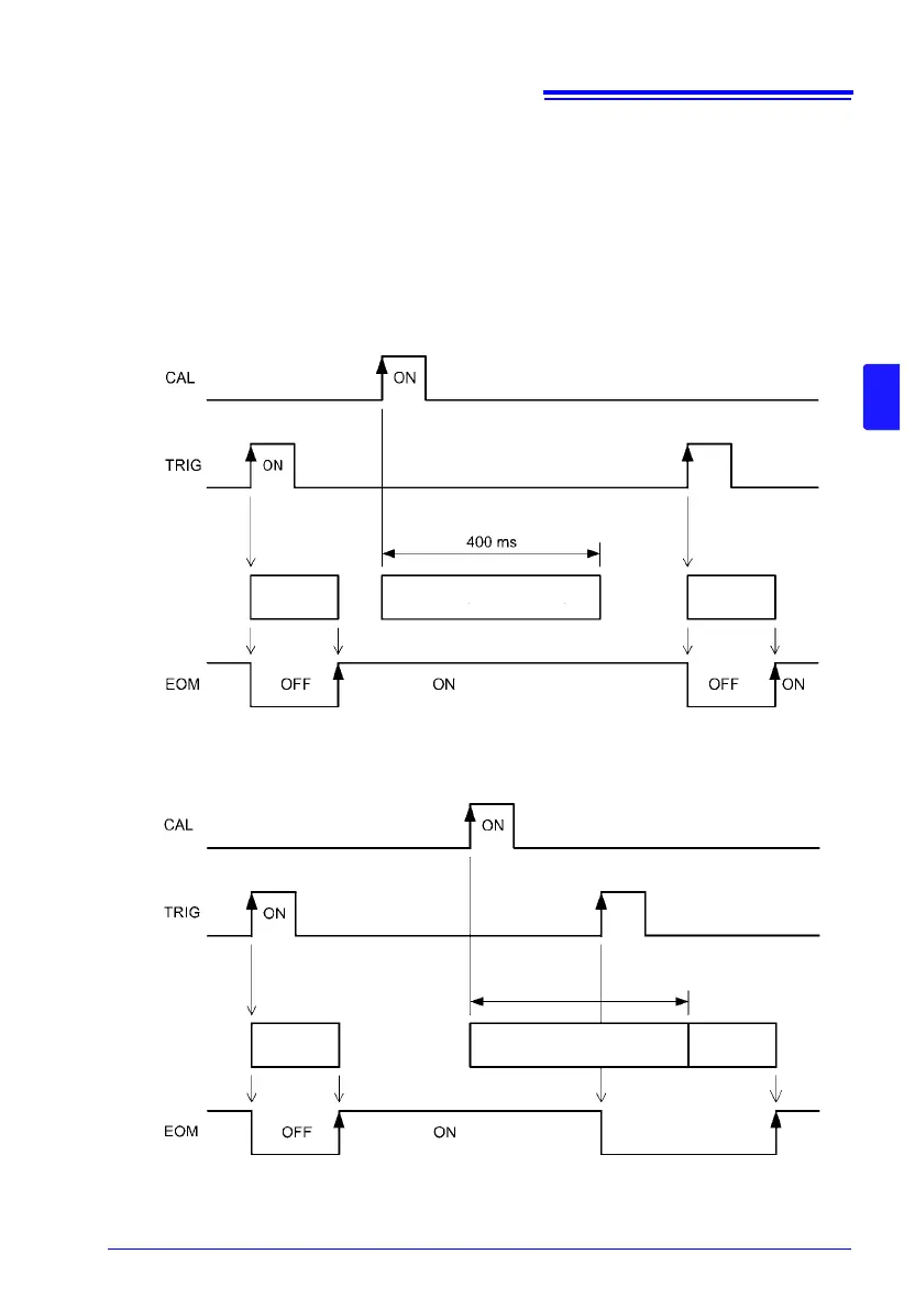
Self-calibration starts immediately when the CAL signal is input.
If the TRIG signal is input during self-calibration, self-calibration will continue. In this case,
the TRIG signal will be accepted, the EOM signal will turn off, and measurement will start
after self-calibration completes.
If the CAL signal is received during measurement, the CAL signal will be accepted, and
self-calibration will start after measurement completes.
If the TRIG signal is received during self-calibration
Method of normal use
Self-Calibration
Measurement
processing
Measurement Measurement
Measurement
processing
Measurement Measurement
Self-Calibration

Table of Contents

Other manuals for Hioki RM3545

Related product manuals