EasyManua.ls Logo

Hioki RM3545 - Appendix; Appendix 1 Block Diagram

Hioki RM3545
364 pages
Print Icon
To Next Page IconTo Next Page
To Next Page IconTo Next Page
To Previous Page IconTo Previous Page
To Previous Page IconTo Previous Page
Loading...
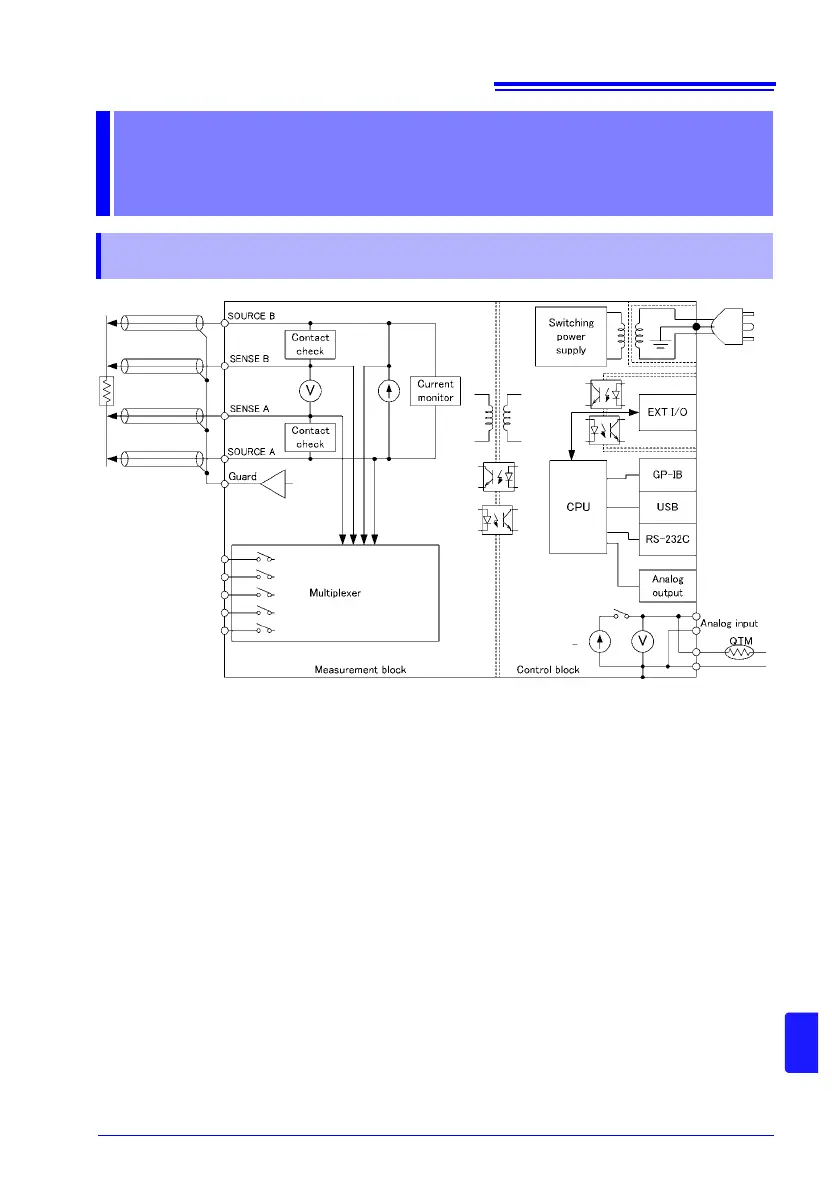
Appendix 1 Block Diagram
A1
Appendix
Constant current (determined by the measurement range) is applied between the
SOURCE B and SOURCE A terminals while voltage is measured between the SENSE B
and SENSE A terminals. The resistance value is obtained by dividing the measured volt-
age (B) by the constant current flow (A).
The effects of large offset voltages such as from thermal EMF can be reduced by current
flowing in the positive and negative directions (A).
The low-noise voltmeter can perform stable measurement, even with an integration time
of 0.3 ms (B).
When measurement starts, the contact check circuit (C) and constant current monitor (D)
are activated to monitor for fault conditions while measuring.
The instrument incorporates a built-in temperature measurement circuit that can be used
to correct resistance measured values according to the temperature when measuring a
target that exhibits a high level of temperature dependence.
By separating the temperature measurement circuit from the constant current source, it is
possible to connect thermometers with analog output (E).
The high-speed CPU (
F
) provides ultra-high-speed measurements and fast system response.
Immunity from electrical noise is provided by isolation between the Measurement and
Control blocks (G).
The auto-ranging 100-to-240 V switching power supply (H) can provide stable measure-
ments even in poor power quality environments.
Appendix
Appendix 1 Block Diagram
G
F
H
D
A
B
C
C
E

Table of Contents

Other manuals for Hioki RM3545

Related product manuals