EasyManua.ls Logo

Hioki RM3545 - Connection Examples

Hioki RM3545
364 pages
Print Icon
To Next Page IconTo Next Page
To Next Page IconTo Next Page
To Previous Page IconTo Previous Page
To Previous Page IconTo Previous Page
Loading...
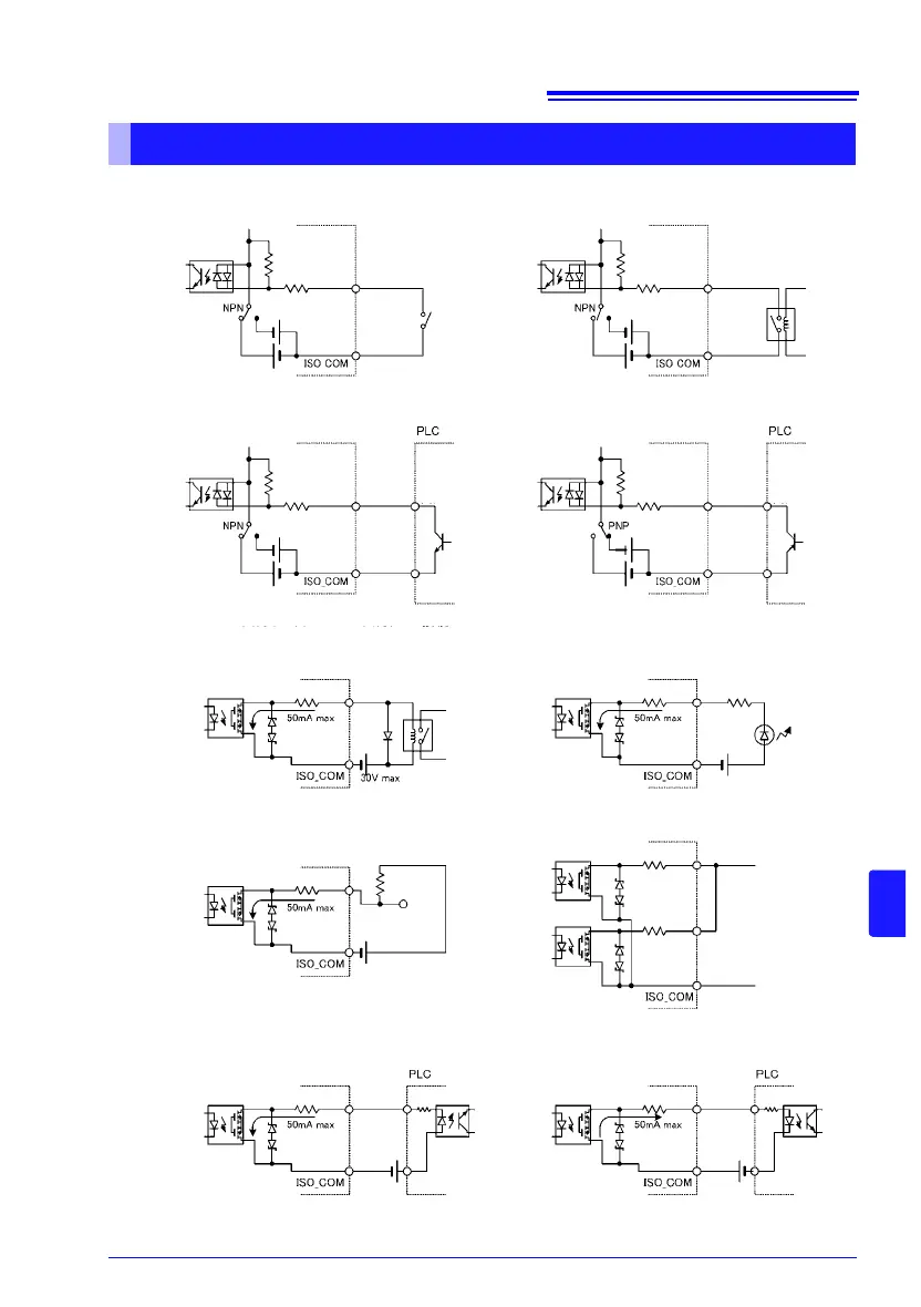
10.3 Internal Circuitry
205
10
Connection Examples
RM3545
Input
Common
RM3545 RM3545
Switch Connections
Relay Connections
Output
Input
Output
PLC Output (PNP Output) Connections
PLC Output (NPN Output) Connections
Input Circuit Connection Examples
Output Circuit Connection Examples
Output
Relay Connections
Output
LED Connection
Output
Output
Output
Active-Low
Active-Low Logic Output
Wired OR
Output
Input
Output
Common
Input
Common
RM3545
Input
RM3545
RM3545
Input
Common
RM3545 RM3545
RM3545
RM3545
PLC Input (plus common) Connections PLC Input (minus common) Connections

Table of Contents

Other manuals for Hioki RM3545

Related product manuals