EasyManua.ls Logo

Hioki RM3545 - Page 211

Hioki RM3545
364 pages
Print Icon
To Next Page IconTo Next Page
To Next Page IconTo Next Page
To Previous Page IconTo Previous Page
To Previous Page IconTo Previous Page
Loading...
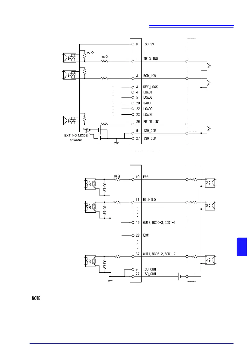
10.3 Internal Circuitry
203
10
Use ISO_COM as the common pin for both input and output signals.
Input Circuit
(PNP Setting)
Output Circuit
(PNP Setting)
Internally Isolated power
PLC, etc.
PLC, etc.
Do not apply external power
Output
Input
Zener
Voltage
30 V
Common
Common
Internally Isolated
Common Signal Ground
Internally Isolated
Common Signal Ground

Table of Contents

Other manuals for Hioki RM3545

Related product manuals